处理:进口德国爱福门E43204编码器

―简单的布线和编程
―拥有具有连接器、电缆或总线 CAP 连接的版本
―拥有作为带有夹具/同步法兰的实心轴或作为空心轴的版本
―多样的接口:SSI、PROFIBUS、PROFINET、CANopen 或 DeviceNet

产品介绍:
功能原理式
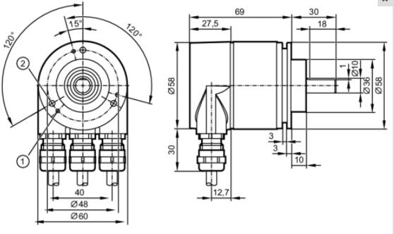
外壳长度99 mm
轴直径10 mm
轴材料钢 (1.4104)
分辨率步骤/转8192
分辨率13 bit
外壳防护等级IP 67
环境温度-40...85 °C
原材料铝
max. Drehzahl mechanisch Wert12000 U/min
工作电压DC10...30 V
连接方式接线端子
通信接口PROFIBUS DP
产品易福门或同价值的
型号RN3
编址地址选择开关; 0...126
通信接口PROFIBUS DP
PROFIBUS DP
传输标准DPV2
环境温度 [°C]-40...85
允许较大的相对空气湿度 [%]98
外壳防护等级IP 67; (在外壳: IP 67; 在轴: IP 67)
/测试
100 g (6 ms)
10 g (10...2000 Hz)
MTTF [年] 13
机械技术数据
重量 [g] 612.2
尺寸 [mm] Ø 58 / L = 99
原材料铝
机械较大值 [U/min] 12000
轴监控器 实心轴
轴直径 [mm]10
钢 (1.4104)
轴向轴负载较大值 (轴末端) [N] 0
径向轴负载较大值 (轴末端) [N]110
固定法兰夹紧法兰
诊断功能报警; 警告; 状态; 编码器数量的序列号
参数设定代码值的计数方向; 分辨率; 零点; 限制开关HI和LO; 运动指标; 分离多圈/单圈
处理:进口德国爱福门E43204编码器
021-39526589
网址:www.qiant.net
地 址:上海市嘉定区嘉涌路99弄
6号楼713室