
常见故障:
气缸的输出力不足和动作不平稳,一般是因活塞或活塞杆被卡住、润
滑不良、供气量不足,或缸内有冷凝水和杂质等原因造成的。对此,
塞。当气缸内存有冷凝水和杂质时,应及时。
气缸的缓冲效果不良,一般是因缓冲密封圈磨损或调节螺钉损坏所致
应调整活塞杆的中心;检查油雾器的工作是否;供气管路是否被堵
。此时,应更换密封圈和调节螺钉。
实物图:

技术性能:
众所周知,相比电动执行器,气缸可在恶劣条件下地工作,且操
作简单,基本可实现免维护。气缸擅长作往复直线运动,尤其适于工
缸驱动系统较大的特征和YS。所以对于没有多点定位要求的用户,
绝大多数从使用便利性角度更倾向于使用气缸。目前工业现场使用电
业自动化中多的传送要求--工件的直线搬运。而且,仅仅调节安装
在气缸两侧的单向节流阀就可简单地实现稳定的速度控制,也成为气
动执行器的应用大部分都是要求多点定位,这是由于用气缸难
以实现,退而求其次的结果。
型号:
MXB1-15-E-2
SCPG-00-16-15/Z
CHB-V1-20-0B-S-AC100V
NCK-00-1.2
STR2-M-6-20-K3H-D
HFP-5CS-T2H3-D
AB41-03-5-AC220V/Z
HVB712-15F-15H-DC24V
DSG-20-AC200V
FGG41-10-8-12CRA-2
WFK5027-10
4KB219-00-B-A-DC24V
4GD219-C8-E2C-3
MSDG-L-8-20-F0V-D-R
AP11-25A-02EAS-AC100V
AP11-25A-03M-AC100V
GAG341G-1-0-AC220V/Z
SSD2-63-25-W1
STG-M-16-25-W1
FCD-KL-40-40-N
MSDG-L-12-10-R
4KB210-06-M1L-DC24V/Z
4F619-00-L-AC110V/Z
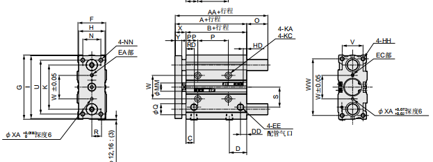
尺寸图:


4F640-15-AC110V/Z
SAB1S-15A-C/Z
SCA2-TC-50B-100/Z
VSPG-8RN
STG-M-16-15-W1
MXB1-15-E-2
AD11-15A-02C-AC100V/Z
4F210-08-AC220V/Z
4F410-10-AC220V/Z
SVB1V-25A-02G-DC24V
SVB1V-25A-02G-DC24V
FH110-D-T2H-D
4F630-20-AC220V/Z
PV5G-8-FG-S-3
CMK2-T-CC-32-50/Z
SMD2-DA-20-15
SSD2-25-20-N-W1
EV2500-008-B4
J704-786-AS-10N
J718-137-AS-50NN
AG31-01-2-02HAB-DC24V
1126-ELEMENT
SAB1C-15A-0/Z
021-39526589
网址:www.qiant.net
地 址:上海市嘉定区嘉涌路99弄
6号楼713室