新品力荐:德国BALLUFF荧光传感器技术参数,BTL5-P-5500-2

我们的发光传感器通过紫外线探测人类不使用辅助工具无法看到的目标。它们可在探测产品的隐形标记时使用。或者例如在需要检查已事先混入发光颗粒的润滑剂时使用。
技术参数:
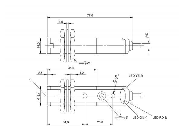
型号系列18KF
尺寸Ø 18 x 77 mm
接口PNP常开触点 (NO)
PNP常闭触点 (NC)
工作原理荧光传感器
光学工作原理漫反射型传感器, 对焦
光束特性对焦
光线类型紫外光
光斑大小Ø 3 mm 在20 mm处
作用范围8...20 mm
接口电缆,2.00 m,PVC
外壳材料PBT
感应面材料PMMA
显示 输出功能 - LED黄色
就绪 - LED绿色
故障 - LED红色+绿色,旧。
调整方法 示教模式,标准/
亮通/暗通
对比度(开关点)
调节器 键
工作电压Ub10...30 VDC
/符合标准CE, cULus

021-39526589
网址:www.qiant.net
地 址:上海市嘉定区嘉涌路99弄
6号楼713室