BES 516-377-G-E5-C-S49,德国巴鲁夫电容式传感器

▲Ø 6.5 mm起的紧凑型结构
▲扁平结构,例如开关距离达25 mm的片状结构
▲齐平安装
▲塑料和不锈钢规格
▲可提供廉的规格
▲可通过电位计或电缆示教调节
▲插头和电缆型号
▲可选择带IO-Link
用于目标检测的电容式传感器具有直线性电场。它们透过玻璃和塑料制成的容器壁或管道 (较大厚度4 mm),既可识别晶片、印刷电路板、硬纸板、纸垛、瓶子、塑料块和塑料板等固体,也能识别液体。
技术参数:
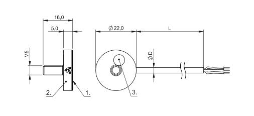
尺寸Ø 22 x 4 mm
安装方式齐平
接口电缆,2.00 m,PUR
开关量输出NPN常开触点 (NO)
开关频率100 Hz
作用范围6 mm
外壳材料不锈钢 (1.4301)
感应面材料PTFE
环境温度-30...70 °C
工作电压Ub12...30 VDC
/符合标准CE, cULus
防护等级IP64
功能显示 否
Electrical connection
反极性保护 是
导线截面 0.14 mm²
导线数 3
导线长度L 2 m
短路保护 是
Electrical data
工作电压Ub 12…30 VDC
应用分类 DC -13
开关频率 100 Hz
较大无功电流Io,在Ue下 10.0 mA
测量工作电流Ie 300 mA
电压降,静态,较大 0.8 V
Environmental conditions
环境温度 -30…70 °C
防护等级 IP64
General data
基本标准 IEC 60947-5-2
许可/一致性 CE
cULus
Material
外壳材料 不锈钢 (1.4301)
护套材料 PUR
有效面,材料 PTFE
Mechanical data
安装 齐平
尺寸 Ø 22 x 4 mm
结构尺寸 D22.0
Output/Interface
开关输出端 NPN常开触点 (NO)
Range/Distance
温度漂移,较大 (Sr的百分比) 10 % [-5…55 °C]
真实开关距离Sr 6 mm
真实开关距离Sr,公差 ±10 %
迟滞H,较大 (Sr的百分比) 15.0 %
额定开关距离Sn 6 mm

1) 有效面 2) 外壳 3) 电位计已漆封
型号:
BLG0001
BLG 1-010-210-050-PV01-SX
BLG0002
BLG 1-010-210-070-PV01-SX
BLG0003
BLG 1-015-210-050-PV01-SX
BLG0004
BLG 1-015-210-070-PV01-SX
BLG0005
BLG 1-030-210-070-PV01-SX
BES 516-377-G-E5-C-S49,德国巴鲁夫电容式传感器
021-39526589
网址:www.qiant.net
地 址:上海市嘉定区嘉涌路99弄
6号楼713室