德国BALLUFF磁场传感器主要参数,BES-M12-MI-PSC40B-BP03

◆结构小巧紧凑,开关距离大
◆传感器可以6.5 mm的直径,以非接触方式探测位置,远相隔90 mm
◆适合工业用途且耐脏
◆也可穿过容器或管道探测位置
◆可探测带磁体的编码
产品介绍:
功能显示 是
Electrical connection
反极性保护 是
导线截面 0.14 mm²
导线数 3
导线长度L 3 m
电缆直径D 3.10 mm
短路保护 是
连接方式 电缆, 3.00 m, PUR
防止出现混淆 是
Electrical data
余波,较大 (Ue的百分比) 15 %
关闭延时toff,较大 0.05 ms
安全开关场强Ha 2 kA/m
工作电压Ub 10…30 VDC
应用分类 DC -13
开关频率 10000 Hz
接通延时ton,较大值 0.05 ms
较大剩余电流lr 80 µA
较大无功电流Io,无衰减 10 mA
较大负载电容,在Ue下 1 µF
测量工作电压Ue DC 24 V
测量工作电流Ie 200 mA
测量开关场强Hn 1.2 kA/m
测量短路电流 100 A
测量绝缘电压Ui 75 V DC
电压降,静态,较大 3.1 V
输出电阻RA 开漏
Environmental conditions
污染程度 3
环境温度 -25…85 °C
防护等级 IP67
Functional safety
MTTF (40 °C) 330 a
General data
基本标准 IEC 60947-5-2
应用 安装灵活
Switching distances > 20 mm
possible
许可/一致性 cULus
Material
外壳材料 黄铜
护套材料 PUR
有效面,材料 PBTB
表面防护 镀镍
Mechanical data
固定 端子
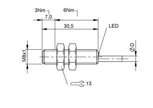
尺寸 Ø 8 x 30.5 mm
拧紧力矩 3 Nm / 6 Nm
结构尺寸 M8x1
Output/Interface
开关输出端 PNP常开触点 (NO)

规格型号:
BMF000A
BMF 07M-NS-D-2-S49-00,3
BMF00LF
BMF 07M-NS-D-2-SA2-S4-00,3
BMF000E
BMF 07M-PS-C-2-KPU-02
BMF000F
BMF 07M-PS-C-2-KPU-03
BMF000J
BMF 07M-PS-D-2-S4-00,6
BMF000K
BMF 07M-PS-D-2-S49-00,3
BMF000L
BMF 07M-PS-D-2-SA2-S49-00,3
BMF000M
BMF 08M-NS-C-2-KPU-02
BMF000N
BMF 08M-NS-C-2-KPU-03
BMF000P
BMF 08M-PS-C-2-KPU-02
BMF000R
BMF 08M-PS-C-2-KPU-03
BMF000T
BMF 08M-PS-C-2-KPU-05
BMF001Z
BMF 10E-PS-D-2-SA1-S49
BMF00EC
BMF 12M-NO-C-2-S4
BMF00EA
BMF 12M-NS-C-2-S4
BMF0021
BMF 12M-NS-D-2-S4
BMF00E9
BMF 12M-PO-C-2-S4
BMF00C7
BMF 12M-PS-C-2-S4
BMF0022
BMF 12M-PS-D-2-S4
021-39526589
网址:www.qiant.net
地 址:上海市嘉定区嘉涌路99弄
6号楼713室