威格士直列柱塞马达图片简介EEA-PAM-535-D-32
威格士的变量直列柱塞马达提供多种排
量、转速和压力。

● 旋转
通过使马达油口的流量反向,就能简单
地实现马达轴反向旋转。但是当马达工
作时,一定不能通过马达排量控制机构
的反向,使轴反向旋转。
● 控制机构
用手轮或手柄来选择排量,两种控制机
构都允许马达在中心的两侧工作,允许
轴的双向旋转。控制机构能够安装在马
达的两侧,便于马达的安装和提供较佳
的控制调整位置。

● 转速范围
输出转速取决于输入流量和排量控制机
构的位置。对于固定位置的 MVB5 或
MVB10 马达,通过改变排量,4:1 的转
速范围是可能的。
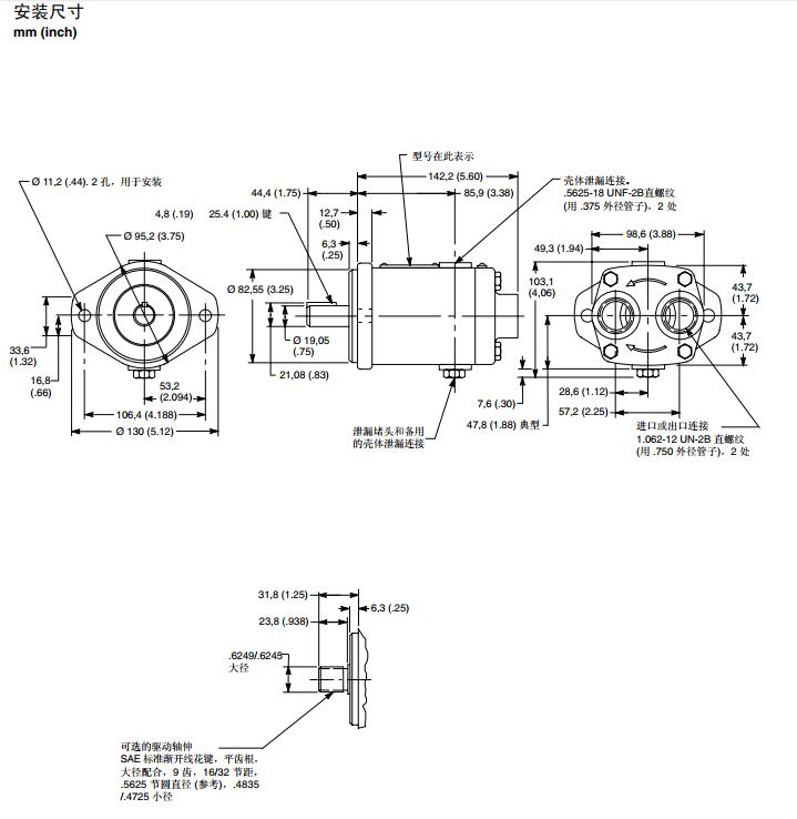
TJ采用水平安装,保持必要的壳体液
位。壳体泄漏管必须全口径,不受节流,
并且从泄油口直接连到油箱,使壳体保持
充满油液。泄漏管的配管必须避免虹吸现
象,配泄油管要使它在油箱液面以下终
结,其他管路不得连接该泄油管。必须注
意马达壳体压力不能过 0,35 bar (5 psi)
威格士的柱塞马达设计用于满足样本中
"额定值" 部分所示的技术规格。在下述工
况要较佳的马达性能,

● 压力要求高于 100 bar (1500 psi)。
● 转速高于 1800 r/min 额定值。
● 转速于TJ的较转速 100 r/min。
● 系统要求难燃液或其他液体。
● 工作温度不在 38℃ 至 66℃(100� 至
150�) 范围。在使用和油液条件正常
下,允许更大的温度范围。
● 在工作条件下,油液黏度不在 (100-250
SUS) 范围。
● 应用工况要求间接驱动。
● 起动时的油液黏度过1000 SUS。
● 非水平安装位置。
威格士直列柱塞马达图片简介EEA-PAM-535-D-32
021-39526589
网址:www.qiant.net
地 址:上海市嘉定区嘉涌路99弄
6号楼713室