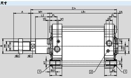
主要参数:
NSF-H1 润滑油和特制刮油密封件适用于与食品接触(特性 A3)。
即使因为频繁冲洗而造成没有润滑或润滑不充分,使用寿命也很长。
• 采用模块化产品系统,可按个别要求配置派生型
• 派生型众多,灵活性佳
• 安装附件齐全,可用于几乎每种安装方式
• 通过接近开关,电子式感测位置
该标准气缸用于卫生、易清洗和耐受性要求较高的场合,主要用于食品和包装行业的干燥和飞溅区
• 出于卫生要求的因素,端盖上的螺纹应用堵头密封(作为附供货 31)
• 耐受传统清洗剂
• 耐腐蚀等级更高
• 三种缓冲形式可供选择:
– P 缓冲:两端带弹性缓冲垫
– PPS 缓冲:两端带自调节气动缓冲
– PPV 缓冲:两端带可调节气动缓冲


2537448 DSBG-200-25-P-N3
2390140 DSBG-200-40-PPVA-N3
2537449 DSBG-200-40-P-N3
2390141 DSBG-200-50-PPVA-N3
2537450 DSBG-200-50-P-N3
2390142 DSBG-200-80-PPVA-N3
2537451 DSBG-200-80-P-N3
2390143 DSBG-200-100-PPVA-N3
2537452 DSBG-200-100-P-N3 125
2390144 DSBG-200-125-PPVA-N3
2537454 DSBG-200-125-P-N3
2390145 DSBG-200-160-PPVA-N3
2537455 DSBG-200-160-P-N3
2390146 DSBG-200-200-PPVA-N3
2537456 DSBG-200-200-P-N3
2390147 DSBG-200-250-PPVA-N3
2537457 DSBG-200-250-P-N3
2390148 DSBG-200-320-PPVA-N3
2537458 DSBG-200-320-P-N3
2390149 DSBG-200-400-PPVA-N3
2537459 DSBG-200-400-P-N3
021-39526589
网址:www.qiant.net
地 址:上海市嘉定区嘉涌路99弄
6号楼713室