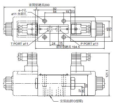
YUKEN安装特性DSHG-04-3C2-C2-T-R2-D24GB1-10
换向阀应用:
这些阀门也用于旋转阀芯手动或通过凸轮和方向移动油流量 结合的制度机制在这些阀门中防止阀门由于振动或任何变化而自行转换其他冲击。
G系列电磁换向阀采用电子方式电路可以调节阀芯的换档时间。
采用特殊的线轴形状,较大限度地减少了冲击,并产生了冲击执行器启动和停止,以及由于石油锤击引起的振动。
常规电磁阀操作,无冲击和变速器的换档时间方向阀是恒定的,无法调整。
由于G系列阀门的换档时间可以调节,因此可以设定为小化机器冲击的较佳水平。
G系列电磁换向阀不能调整较大流量。
要调整较大流量,请使用流量控制阀。
在G系列电磁控制先导式定向阀门(G-DSHG-04/06),较大流量
可以通过使用带行程调节的阀门进行调节螺钉的可选额外。
内部和外部排水类型的操作
当出口侧P1反向直接连接到油箱时自由流动(图a),通常使用内部排水型。
什么时候背压施加在出口侧P1(图b),确保使用外部排水型。



YUKEN安装特性DSHG-04-3C2-C2-T-R2-D24GB1-10
021-39526589
网址:www.qiant.net
地 址:上海市嘉定区嘉涌路99弄
6号楼713室