油研机动换向阀DSG-01-2B2B-D24-GB1-L-10
选型参数:
这些阀用于通过提升阀打开/关闭油路通过电磁阀用电信号操作。
因为这些是提升式的,所以内部泄漏很小,不用担心液压锁。
这些是无泄漏型的电磁操作方向阀,旨在满足客户的需求年龄包括节能。
因为这些阀门没有泄漏类型,所以它们允许粘度液压流体因为,
传统的滑阀式方向阀不能使用的电路结构压力油内部泄漏太多。
使用粘度液压油可以减少压力损失由液压流体的通道阻力引起,导致系统节能。
高响应高性
因为这些阀门是提升式的,所以没有重叠,高可以实现回应。 同时,消除了液压锁定。
没有泄漏
采用了板式密封,大大减少了内部泄漏。ISO Comformant安装表面
因为安装表面符合ISO 4401-AB-03-4-A,所以是与传统阀门的可互换性。
这样做可以将这些阀门与01系列模块组合使用阀门。
安全门开关,利用极限开关确认,可正确监视阀芯切换位置。
‧监视开关与外界完全隔离,不受污染影响。
‧阀整体防尘防水等级IP65。
‧不受外部磁场干扰。
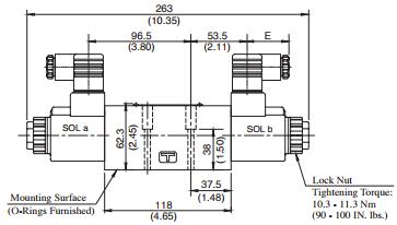
结构图:




油研机动换向阀DSG-01-2B2B-D24-GB1-L-10
021-39526589
网址:www.qiant.net
地 址:上海市嘉定区嘉涌路99弄
6号楼713室