意大利纽迈司1011.52.2.9.M3R 110V电磁阀

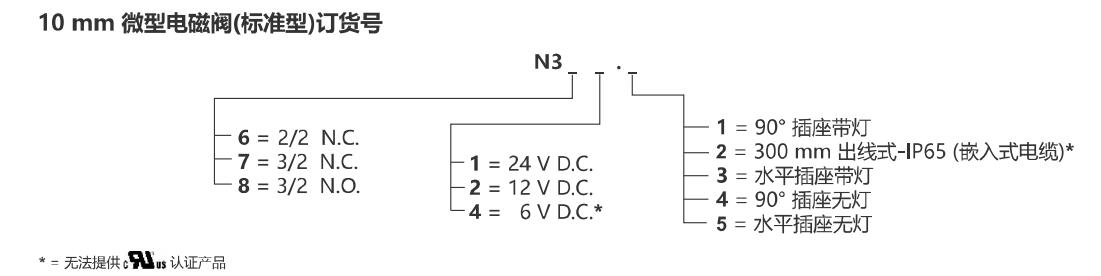
产品有二位三通 电磁阀,二位五通电磁阀,三位五通电磁阀,电磁阀268系列、468系列(G1/8”,G1/4”,G1/2”,G1”),气控阀M5型105系列,微型阀300系列,大流量真空阀700系列,分配阀800和1000系列,机械阀。微型气缸1200系列,标准气缸1300系列,液压调速气缸1400系列,薄型气缸1500系列,特殊气缸
PNEUMAX纽迈司产品介绍:
1200系列迷你和标准圆形缸:单作用、双作用、双向作用、双行程、可调行程缸、缸杆不旋转缸等;

1300系列方型缸:单作用、双作用、双向作用、双矢行程、可调行程、缸杆不旋转缸、回转气缸等;
1400系列空油转换速度控制缸:前进、后退、前进后退中实现稳速、加速或中间停止的各种速度变化
1500系列短行程缸
1600系列 无杆气缸

PNEUMAX纽迈司主要产品:气缸、无杆气缸、电磁阀、控制阀、机控阀、阀导、过滤器、调节阀、 接头等
意大利纽迈司1011.52.2.9.M3R 110V电磁阀
021-39526589
网址:www.qiant.net
地 址:上海市嘉定区嘉涌路99弄
6号楼713室