日本SMC单杆双作用标准气缸MDBB63-40Z

技术参数:
由于缸盖形状的改变,质量较大减轻10%
设定了杆端安装件、或摆动脚座安装件的型号 (省去了分别订购气缸和支件的时间)
带磁性开关 (MDB-Z系列: MDB,MDBW,MDBK,MDBKW,MDBB,MDB□Q)
内置磁环 D 内置磁环
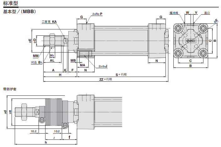
安装方式 B 基本型
缸径 63 缸径 63mm
通口螺纹的种类 Rc
气缸行程 40 40
气缸追记号 无防护套,气缓冲
行程调整标记 无
双行程标记 行程标记
气缸追记号2 无防护套,气缓冲
附件1 无
附件2 无
磁性开关型号 无磁性开关
磁性开关个数 2个 或 无
订制规格 标准
其他特性
杆端螺纹 Rc
缓冲形式 气缓冲
动作方式 单杆双作用
使用流体 空气
耐压试验压力 1.5MPa
较高使用压力 1.0MPa
较使用压力 0.05MPa
环境温度及使用流体温度 无磁性开关 :-10~70℃ (未冻结) 带磁性开关 :-10~60℃
给油 不要(不给油)
使用活塞速度 50~1000mm/s
行程长度允差 ~250 :+1.0
0 , 251~1000 :+1.4
0 , 1001~1500 :+1.8
缓冲 两侧(气缓冲)注)
连接口径(Rc) 1/8 1/4 3/8 1/2
安装支件形式 基本型、轴向脚座型、杆侧法兰型、无杆侧法兰型
单耳环型、双耳环型、耳轴型

日本SMC单杆双作用标准气缸MDBB63-40Z
021-39526589
网址:www.qiant.net
地 址:上海市嘉定区嘉涌路99弄
6号楼713室