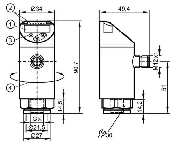
德国IFM压力传感器PE-010-RER14-MFRKG/US/ /E
带显示屏的压力传感器

PE2094
可编程的开关输出,配有 IO-Link 和可调整的模拟输出
红/绿显示,用于明确标识可接受的范围
高负载保护,长期稳定性
坚固的设计,适用于严苛的工业环境
测量元件 陶瓷电容式压力测量元件
应用 用于工业应用
介质 流体组2的流体,符合欧盟承压设备指令(PED); 根据需求流体组1的流体
介质温度 [°C] -25...80
抗压强度 75 bar 1087 psi 7.5 MPa
爆破压力小值 150 bar 2175 psi 15 MPa
耐真空 [mbar] -1000
压力 相对压力
工作电压 [V] 18...30 DC; (符合EN 50178 SELV/PELV标准)
电流损耗 [mA] < 35
绝缘电阻小值 [MΩ] 100; (500 V DC)
防护等级 III
反相保护 有
开机延迟时间 [s] 0.3
Watchdog集成看门狗电路 有
输出数量 2
输出信号 开关信号; 模拟信号; IO-Link; (可配置)
电气设计 PNP/NPN
数字输出数量 2
输出功能 常开/常闭; (可设定参数)
开关量输出DC电压降较大值 [V] 2
开关量输出DC的持续电流负载 [mA] 250
开关频率DC [Hz] < 500
模拟输出数量 1
模拟电流输出 [mA] 4...20; (可调整量程 1:5)

负载较大值 [Ω] 500
模拟电压输出 [V] 0...10; (可调整量程 1:5)
负载电阻小值 [Ω] 2000
短路保护 有
短路保护类型 脉冲
过载保护 有
EVS025
IFR200
IFS204
IFS205
ifs210
ifs212
ifs286 10-30VDC螺纹M12 防护等级IP68
IFS28AIFB3007-BPKG/M/US/3D
IG0006
IG0011
IG0033
IG514A

IG5318IGB3008-BPKG/U
IG5554
IG5575
IG5744
IG5907
IG7100
IGC204
IGS204
IGS702
德国IFM压力传感器PE-010-RER14-MFRKG/US/ /E
021-39526589
网址:www.qiant.net
地 址:上海市嘉定区嘉涌路99弄
6号楼713室