S30B-3011BA安全激光扫描仪SICK雷达扫描仪

类型 类型 3 (IEC 61496)
安全完整性等级
SIL2 (IEC 61508)
SILCL2 (EN 62061)
类别 类别 3 (EN ISO 13849)
性能等级 PL d (EN ISO 13849)
PFHD(每小时危险失效率) 8.0 x 10-8 (EN ISO 13849)
TM(持续运行时间) 20 年 (EN ISO 13849)
在错误情况下更安全 在关闭状态下至少有一个输出信号切换装置。

连接类型 带或不带连接电缆的系统插件
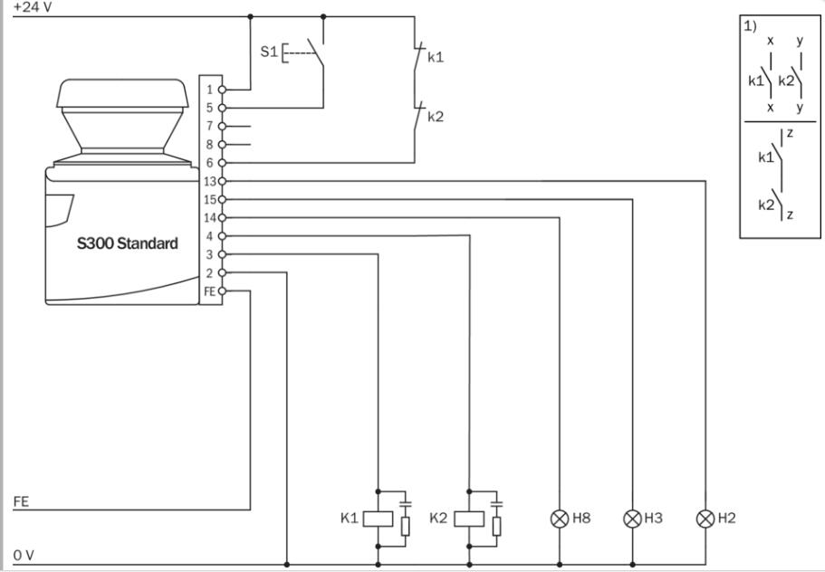
通用 I/O 5 1)
输入端
外部设备监控 (EDM) 1 2)
复位/重启 1 2)
待机 1
输出端
输出信号切换装置对 1
诊断信息输出 3 3)
配置方式 带 CDS(配置和诊断软件)的电脑
配置与诊断接口 RS-232
传输速率 38.4 kBaud
数据接口 RS-422
传输速率 ≤ 500 kBaud
通过 EFI 实现安全的 SICK 设备通信
传输速率 ≤ 500 kBaud
电缆长度 ≤ 50 m
导线横截面 0.22 mm2
现场总线,工业网络

通过 EFI 网关实现的集成 CANopen, Ethernet, PROFIBUS DP, PROFIBUS PROFIsafe, PROFINET PROFIsafe 4)
1) 可自由编程,例如:外部设备监控输入、复位输入、脏污警告,要求复位.
2) 取决于通用 I/O 配置的可用性.
3) 可自由编程,例如:警告区域、脏污,要求复位.
4) 合适的 EFI 网关参见模块与网关部分中连接技术下的配件.
1066837 IQ10-03BPSKR8SS14
1066837;IQ10-03BPSKR8SS14
1069933 TIM320-0131000S02
1075810
2019649
2019649安装支架
2026742
2026743
2029201 DOL-2312-G03MMA1
2041879 WS12-3D2430
2041881 WE12-3P2431
2076540 DOL-127SG2M5E25KM0
2096234
6009866
6009867
6009872
6010190 WL170-P430
6011044 WT150-P430
6011050 WT150-P460
6013692 VS/VE18-3F3240
6013821 VE18-4P3140
6020410 CM18-12NPP-KC

6020410 CM18-12NPP-KC1
6020537
6021156
6021353
6021354
6022701 WS160-G440
6024917 UE10-3OS2D0
6024920 UE10-4XT3D2
6025067 I17-SA213
6025726
6025727
6029789 MRA-F130-405D2
6030705 WT100L-E1141
6030708 WL100L-F1131
S30B-3011BA安全激光扫描仪SICK雷达扫描仪
021-39526589
网址:www.qiant.net
地 址:上海市嘉定区嘉涌路99弄
6号楼713室