康茂盛气控阀质量出色EN531-11-PN3
EN 系列气控阀和电磁阀有两种阀体
形式:管式连接和板式连接。管式连接
的阀可单独使用,也可以安装于气路板
上成组使用;板式连接的阀需选配单阀
座或气路板成组使用。

EN 系列气控阀和电磁阀为原康茂
胜 E 系列规格 16、19 气控阀和电磁阀的
改进产品,可与原系列气控阀和电磁阀
完全互换,且更具经济性YS,可广泛
用于各种应用。
注:电磁阀用插座需单独订购。
性能
» 单阀可安装于任何平整表面
» 体积小,流量大
» 铝阀体,工程塑料端盖
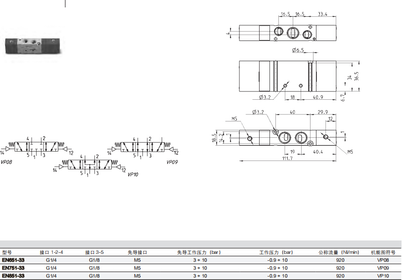
二位五通(单稳,双稳),三位五通(中封,中泄,中压)
规格 16 和 19
管式连接或板式连接
综合参数
结构形式 滑阀型
阀位机能 二位五通,三位五通 [中封,中泄,中压]
材料 铝阀体、阀芯和气路板,工程塑料端盖,丁腈橡胶或聚氨酯密封件
电压允差 ± 10%
功率消耗 2W,1W
绝缘等级 F
防护等级 IP65(带插座,符合 DIN 40050 标准)
接口 G1/8 - G1/4
工作温度 0 ÷ 50°C
介质 经过滤的压缩空气(过滤精度 5 μm 或更小),无需油雾润滑。
如果使用油雾润滑,应不间断地使用油雾润滑(TJ使用 ISO VG32 润滑油)

康茂盛气控阀质量出色EN531-11-PN3
021-39526589
网址:www.qiant.net
地 址:上海市嘉定区嘉涌路99弄
6号楼713室