
检测量程0…50mm1个传感器2个开关点只需一个安装槽
需要一定的安装力(传感器、电缆)简单的自学习过程完全安装在C型槽内
同一原理,两种安装:适用于T型槽及C型槽槽内自顶向下方便安装
快速、经济的气缸终端位置及气缸或夹具中部检测活塞到端的检测
可安装于所有的”T”型槽气缸,同时可借助安装适配器,轻松安装于其余各种圆缸,带杆气缸等
不过30mm外壳尺寸(23.7~26.3mm'),易于安装在短行程气缸上
PVC/PUR出线, IP67 / IP 68 / IP 69K 防护等级 (不同型号)
检测所有带C型槽的气缸或电缸的活塞行程位置
适用于带C型槽的线性滑轨,气动爪定位元器件装配、移动、拾取等工位检测
减少维护成本,确保气缸开关在冲击和振动情况下也检测稳定
增加设备产能,因为使用了SICK独有的GMR和ASIC技术,精 确检测开关位置,消除错误信号
顶部“投入式”安装只需小角度旋转(1/4圈)即可紧固安装同时支持”一”字螺刀和内六角刀安装
尾端双翼设计LED 输出状态指示灯防护等级 IP 67 高供电电压可支持 230 V (RZT7)
紧固旋钮特殊设计确保过度用力安装,亦能避免旋钮损坏,即使在的震动撞击以及线缆频繁拉扯亦可确保紧固安装
顶部投入式安装,无需拆卸气缸即可快速安装1个传感器有2个可调的开关点,安装简单
检测量程:0…50mm(汽缸行程:0…50mm)只需要一个安装槽电缆配置简单,节省安装时间和成本
可从顶部安装,方便组装传感器可以完全放入T型槽内,形成很好的保护IO-Link版本可用
灵活、小巧:具备2个可调开关点的MZ2Q 磁性气缸传感器
同一原理,两种安装:适用于T型槽及C型槽槽内自顶向下方便安装
快速、经济的气缸终端位置及气缸或夹具中部检测
活塞到端的检测中间段精准信号收集检测目标检测:夹具及磁性气缸
非常紧凑短小的外壳尺寸,只有24mm安装简单容易自带不可拆卸的安装螺丝
适合T型槽气缸安装适合恶劣环境应用,防油污、清洁剂等IP69K防护等级
市场上可见的 短型磁性气缸传感器---24mm,您的短型气缸选择
传感器背部安装:无机械损耗的活塞检测紧固的螺丝钉永无丢失
Allen Key 1/4转"单手"安装, 简单的方式级稳靠:紧固,抗震性较佳
顶部安装适用于所有常用T型槽气缸电缆连接或带电缆插头连接热熔胶成型
中间段精准信号收集检测目标检测:夹具及磁性气缸
检测C型槽气动/电动执行器的活塞位置如,Festo 或SMC
适用于所有带C型槽的气缸或线型滑块具有PNP/ NPN型
自带平头紧固安装螺栓的一体化设计, 45度旋转完成紧固
输出方式灵活多样,适应不同应用场合的需求一体化设计节省时间和成本,方便快捷
通用外形设计,只需一款型号即可安装于多种“T”槽气缸上,无需考虑气缸品牌和型号
尾端双翼设计,稳定卡紧槽两侧,避免传感器在槽内滑动或掉出,实现快速安装
只需小角度旋转(1/4圈)即可紧固安装,实现简易安装
用合适的接口可选用多个测量长度:1.25 m至50 m提供经济型、紧凑型和增强型三种型
号,适用于任何应用与线性测量系统不同,拉线编码器无需精准地铺设线性导轨
分辨率高达0.001 mm,测量结果非常精准便于安装
全自动导引车是输送商品的首 选方法。SICK拉线传感器可自
动定位提升高度和测量叉子宽度,能够极其地为客户提
供车辆导引和安全保护。
BCG经济型拉线传感器测量高度可达10 m,可用于测量提升
高度。该产品外形扁平,重量轻巧,安装方式灵活,方便客
户装载车辆;其采用独特的拉线绳出线口,抗冲击和抗振动
性能较佳。BCG可测量各种叉子宽度,量程可达1.25 m。
在汽车行业的物流过程中,客户通常需要将产品提升至一定
的运输高度。因此,客户需使用叉车,并使用相关设备精 确
定位平台,确保将产品顺利地输送至目标高度。
为短行程气缸提供了解决方案适应于油污和潮湿等恶劣环境
检测C型槽气动/电动执行器的活塞位置如,Festo 或SMC
适用于所有带C型槽的气缸或线型滑块
具有舌簧式3线,舌簧式2线, 和舌簧式120V类型
自带平头紧固安装螺栓的一体化设计, 45度旋转完成紧固
不过30mm外壳尺寸(23.7~26.3mm'),易于安装在短行程气缸上
BCG经济型拉线传感器外形扁平,具有多种接口,提供灵活
的安装选项,测量长度可达3 m,是此类应用的选择。

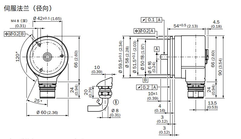
适用于采用插头出线口的编码器。在工作范围内使用时,自温升3.3 K/1000 min-1
传感器电源正极(调试前,必须注意编码器的类型标签)。
传感器电源负极(外壳电气隔离)。接地电压为US。
正转/反转:本输入信号可对编码器计数方向进行编程。如未连接,则本输入为高电平。从驱动轴方向观察,如果编码器的轴沿顺时针旋转,则按增
序计数;如果编码器的轴沿逆时针旋转,则按增量技术,此信号将始终连接至电平 (0V)。
数据输出驱动器激活时,该输入为电平。如未连接,则该输入为电平;如果该输入为高电平,则输出处于三态模式。
该输入用于在电平时存储格雷码。如果输出数据需使用二进制码,该输入则可以避免读取错误。如果该输入为电平,则无论输入轴旋转与否,编
码器输出数据均保持稳定。如果代码未切换,则该输入为高电平。
数据位的二进制校验和为偶数时,该输出即为高电平。
该输入信号用于激活电子零点设置功能。如果SET信号线连接至Us过100 ms,当前机械位置值将变为0。
拉线编码器由拉线盒和编码器组成,编码器计算与测量长度成比例的测量鼓旋
转圈数,并将其转换为测量信号,输出适用于线性测量路径的高分辨率位置和
距离信息。SICK拉线编码器具有多种接口,提供绝 对值型和增量型版本,几乎适用于任何应用。
PVC/PUR出线, IP67 / IP 68 / IP 69K 防护等级 (不同型号)
检测所有带C型槽的气缸或电缸的活塞行程位置
适用于带C型槽的线性滑轨,气动爪定位
元器件装配、移动、拾取等工位检测
减少维护成本,确保气缸开关在冲击和振动情况下也检测稳定
增加设备产能,因为使用了SICK独有的GMR和ASIC技术,精 确检测开关位置,消除错误信号
输出方式灵活多样,适应不同应用场合的需求一体化设计节省时间和成本,方便快捷
为短行程气缸提供了解决方案适应于油污和潮湿等恶劣环境
LED工作状态指示IP67防护等级感应距离达到20mmDC 3线,AC/DC 2线,AC/DC 3线
使用SICK-ASIC芯片技术(GMR),具有很高的精度开关点具有 小的偏差(+/-5%)
滞后 小(0.7mT+/-0.1mT)非常坚固操作简单配置固紧螺丝
"Drop-in"直接安装方式IP67/68/69K防护等级cULus
需单独订购适用于6、8、10、12、14 mm和1/4”、3/8” 和1/2” 轴径空心轴的轴套。15 mm轴径的空心轴无需使用轴套。
提供从标准型到重载型的多个版本,几乎适用于任何应用采用模块化设计,可针对应用要求使
包装行业汽车汽配行业机床行业驱动控制电子&太阳能
SICK增强型拉线编码器即为应对此类定位需求的首要选择。
该系列产品外形坚固,重复精度高,定位非常精 确,适用于
长度过10 m的应用。
汽车行业制造商通常使用高架输送机定位车体,因此必须借
助相关设备计算准确的车体高度,确保装配过程顺畅无误。

021-39526589
网址:www.qiant.net
地 址:上海市嘉定区嘉涌路99弄
6号楼713室