
用于机床和金属加工
耐油和冷却剂
金属感应面,经久耐用
感应范围大,正常运作时间长
*久清晰的激光刻印标签
电气设计 PNP
输出功能 常开
感应距离 [mm] 2
外壳 螺纹结构
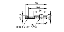
尺寸 [mm] M8 x 1 / L = 50
应用
特殊的性能 镀金触点; 增长的感应距离; 金属外壳
应用 适用于机床及冷却润滑剂应用
抗压强度 [bar] 100
注意抗压强度
感应面
工作电压 [V] 10...36 DC
电流损耗 [mA] < 20
防护等级 III
反相保护 有
输出
电气设计 PNP
输出功能 常开
开关量输出DC电压降较大值 [V] 2.5
开关量输出DC的持续电流负载 [mA] 100
开关频率DC [Hz] 100
短路保护 有
短路保护类型 脉冲
过载保护 有
监控范围
感应距离 [mm] 2
工作距离 [mm] 0...1.6
增长的感应距离 有
精度/偏差
校正系数 特种钢: 0.6 / 黄铜: 0.4 / 铝: 0.3 / 铜: 0.2
迟滞 [Sr的百分比] 1...20
环境温度 [°C] -25...70
外壳防护等级 IP 67
/测试
EMC电磁兼容
EN 61000-4-2 ESD 4 kV CD / 8 kV AD
EN 61000-4-3 HF电磁场辐射 10 V/m
EN 61000-4-4 Burst 2 kV
EN 61000-4-6 射频场感应的传导抗扰度 10 V
EN 55011 等级B
抗冲击性
EN 60068-2-27 Ehc 1 J
MTTF [年] 1989
UL
Ta 0...40 °C
Enclosure type Type 1
电源 Limited Voltage/Current
文件数量UL E174191
机械技术数据
重量 [g] 18.1
外壳 螺纹结构
安装 齐平安装
尺寸 [mm] M8 x 1 / L = 50
螺纹代号 M8 x 1
原材料 外壳: 不锈钢(1.4404 / 316L);
感应面: 不锈钢(1.4404 / 316L); 固定螺母: 不锈钢(1.4404 / 316L)
金属外壳 有
显示器/操作件
显示
开关状态 4 x 90° LED, 黄色
附件
附件(附送)
固定螺母: 2
注释
包装单位 1 件
电气连接 - 插头
产品图片

接插件: 1 x M8; 触头: 镀金的
021-39526589
网址:www.qiant.net
地 址:上海市嘉定区嘉涌路99弄
6号楼713室