产品banner

您当前的位置 : 首 页 > 产品中心 > 日本SMC/SMC电磁阀

产品中心 Product

联系我们Contact Us

上海乾拓贸易有限公司

电 话:021-39526589

网址:www.qiant.net

地 址:上海嘉定区嘉涌路99弄6号楼713室

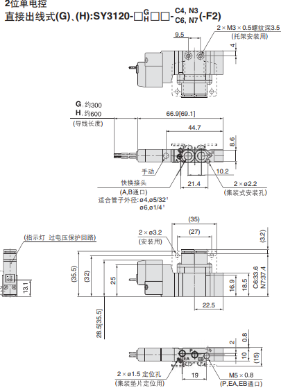
SY7320-5DZD-02日本SMC5通电磁阀主要事项

SY7320-5DZD-02日本SMC5通电磁阀主要事项

  • 所属分类:日本SMC/SMC电磁阀
  • 浏览次数:
  • 发布日期:2019-12-09
  • 产品概述
  • 性能特点
  • 技术参数

SY7320-5DZD-02日本SMC5通电磁阀主要事项

冯娇.png

特点

●3通阀和5通阀可混合安装

●消耗功率: 0.1 W (带节电回路)

●集装式可选项众多,例如:铝阀体,DIN导轨,组合式集装式

●集装式型号: SS5Y3,SS5Y5,SS5Y7,SS5Y9

SY7320-5DZD-02日本SMC5通电磁阀主要事项

标签

近期浏览:

相关产品

相关新闻

在线客服