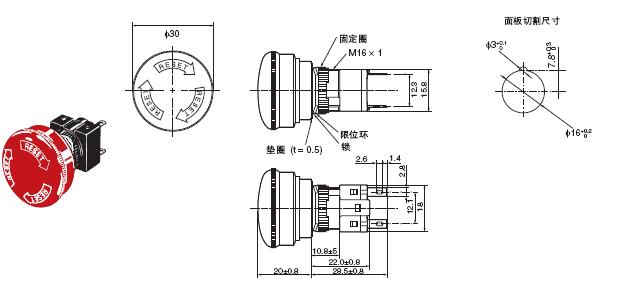
如果要为面板加喷漆等涂层,请确保加涂层后的尺寸符合规定。
建议面板厚度:0.5~3.2mm
A22S-3M, A22-10,OMRON按钮开关操作简单

产品说明:
-常开-紧急停止用按钮开关,开关部3列横向安装,提高配线效率(不带灯型可安装3个开关部,实现多接点化)。
压接端子无论是开型(叉型)、闭型(圆型)均可安装。IP65耐油型(不带灯型)/IP65(带灯型)。
A22E 螺钉端子台型
开关部3列横向安装,提高配线效率(不带灯型可安装3个开关部,实现多接点化)。
压接端子无论是开型(叉型)、闭型(圆型)均可安装。
IP65耐油型(不带灯型)/IP65(带灯型)。
标配锁板,可防止操作部位与开关部轻易分离。
A22NE-P Push-In Plus端子台型
缩短长度、变更配线方向,实现控制柜的小型化。
配线不会发生松动,可削减维护工时。
采用可简单地操作的锁柄机构。
采用多可组合6个接点的接点结构。
IP65耐油型(不带灯型)/IP65(带灯型)/支持IP69K高温高压清洗(按下推挽型)。

如果要为面板加喷漆等涂层,请确保加涂层后的尺寸符合规定。
建议面板厚度:0.5~3.2mm

如果要为面板加喷漆等涂层,请确保加涂层后的尺寸符合规定。
建议面板厚度:0.5~3.2mm

A22S-3M, A22-10,OMRON按钮开关操作简单
021-39526589
网址:www.qiant.net
地 址:上海市嘉定区嘉涌路99弄
6号楼713室