意大利康茂盛真空吸盘作用

原理:
真空吸盘,又称真空吊具,是真空设备执行器之一。一般来说,利用真空吸盘抓取制品是廉价的一种方法。真空吸盘品种多样,橡胶制成的吸盘可在高温下进行操作,由硅橡胶制成的吸盘非常适于抓住表面粗糙的制品;由聚氨酯制成的吸盘则很耐用。具有较大的扯断力,因而广泛应用于各种真空吸持设备上。
应用范围:
-处理平整或光滑的零件 轻微的粗糙表面
-硅胶版本,用于处理零件 在高温下
这些吸盘通常使用于处理光滑的物体 轻微弯曲的表面,例如片材不同的材料,挤压型材纸箱,塑料零件,木板等
一般数据:
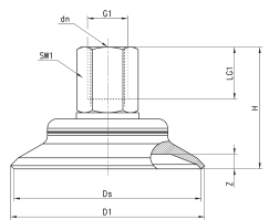
描述坚固耐用的吸盘,由吸盘VTCF和连接管嘴组成
构造-奶嘴和吸垫未提供
-直径60毫米及以上:乳头拧入已硫化到护垫的支撑板上
维护可以更换软元件
NBR版本的工作温度:-30°C÷+ 120°C(短时间<30秒); -10°C÷+ 70°C(长期)
SILICONE版本:-50°C÷+ 220°C(短时间<30秒); -30°C÷+ 180°C(长期)

»直径范围广,
所有可用材料
NBR或有机硅。
»调,减少
内在体积
缩短周期时间
和/或使用较小的
真空发生器。
»紧凑的设计造就产品
坚守横向
高加速度的力量
因此适合应用
动作快。
»可以忽略的运动
处于抽吸阶段的部件。
意大利康茂盛真空吸盘作用
021-39526589
网址:www.qiant.net
地 址:上海市嘉定区嘉涌路99弄
6号楼713室