伺服膜片电磁阀工作原理783742
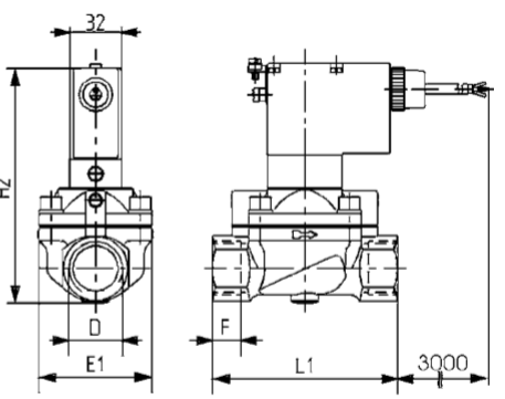
转动衔铁先导控制,可锁定的手动开关 • 隔离膜片将介质与电磁系统隔离 • 回路功能可更改 • 打开和关闭时间可调 • AC/DC 电源5282 EEx 型为伺服辅助电磁阀,其伺服 膜片将介质与电磁系统隔离。两位三通式转动衔铁先导控制电磁阀的 标准供货带手动开关。打开和关闭时间连续 可调。
标准供货为回路功能 A,将先导阀旋转 180°即可更改为回路功能 B。 要完全打开阀门,至少需要 0.5 bar 的压差。 将限位螺钉(位于阀盖上)向右旋转可增加开关时间
技术参数 内孔 DN 13 - 65 mm 阀体材质 黄铜、不锈钢 1.4581 密封材质 NBR, FKM 介质 NBR 密封 FKM 密封 中性介质,如压缩空气、水、液压油 热空气、氧气、高溶溶液、热油 介质温度 NBR 密封 FKM 密封 0 至 +80 °C 0 至 +90 °C 环境温度 Max. +55 °C 电压允差 ±10% 负载周期 连续工作 电气连接 3 米模压电缆,3 x 0.75 mm2 接线盒 (不含熔丝) 防护等级 IP 65 防爆等级 II 2G EEx ed IICT5 PTB03 ATEX 1030X e 增安型 d 隔爆型 安装方位 可根据需要安装将执行机构朝上。
广泛应用于液 体和气体介质。


伺服膜片电磁阀工作原理783742
021-39526589
网址:www.qiant.net
地 址:上海市嘉定区嘉涌路99弄
6号楼713室