宝德转动衔铁电磁阀经济实用 221956
直动式,带隔离膜片 • 可锁定的手动开关 • 适用于液体和气体 • AC/DC 电源 • 即使在无润滑的条件下也具有较长的使用寿命
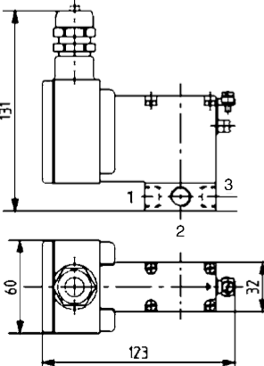
0780 型为两位两通或两位三通直动式转 动衔铁电磁阀,具有 EEx ,即使在无润 滑的条件下也有较长的使用寿命。适用于中 性、磨蚀型和微污染的介质,不锈钢阀体式 适用于腐蚀性介质。技术参数 内孔 DN 3.0 mm 阀体和阀座材质 黄铜和不锈钢 1.4401 密封材质 NBR, FKM 介质 NBR 密封 FKM 密封 中性介质,如压缩空气、水、油 热空气、氧气、热油、高溶溶液 介质温度 NBR 密封 FKM 密封 0 至 +70 °C -10 至 +70 °C 环境温度 Max. +55 °C 粘度 Max. 37 mm2/s 电源 24/230 V UC 电压允差 ±10% 频率 约 30/min 负载周期 连续工作 电气连接 接线盒,不含熔丝 可按需提供 3 米模压电缆 HO5RN-F3G, 3 x 0.75 mm2 熔丝 半延时熔丝 (对应于额定电流) 防护等级 IP 65 防爆等级 II 2G EEx ed IICT5 PTB03 ATEX 1030X e 增安型 d 隔爆型 安装方位 可根据需要安装,将执行机构朝上0780 型为两位两通或两位三通直动式转 动衔铁电磁阀,具有 EEx ,即使在无润 滑的条件下也有较长的使用寿命。适用于中 性、磨蚀型和微污染的介质,不锈钢阀体式 适用于腐蚀性介质。对于回路功能A 和 B,阀体为直流向 接线盒 = 不带熔丝的接线盒 可按需提供带电缆接头和的模压电缆 (HO5RN-F3G, 3 x 0.75 mm2,长度3 米)

宝德转动衔铁电磁阀经济实用 221956
021-39526589
网址:www.qiant.net
地 址:上海市嘉定区嘉涌路99弄
6号楼713室