关于IFM压力变送器PT5500规格型号
性能参数:
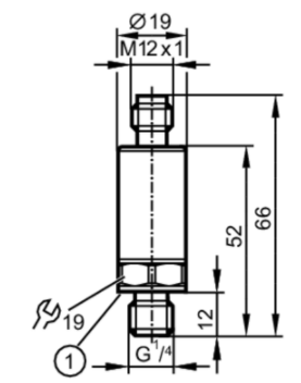
系统接口 螺纹连接 G 1/4 外螺纹 (DIN EN ISO 1179-2)
工作电压 [V] 8...32 DC
绝缘电阻小值 [MΩ] 100; (500 V DC)
防护等级 III
反相保护 有
开机延迟时间 [s] < 0.1
输出信号 模拟信号
系统接口 螺纹连接 G 1/4 外螺纹 (DIN EN ISO 1179-2)
原材料 1.4542 (17-4 PH / 630); 不锈钢(1.4404 / 316L); PEI
材料(接液部件) 1.4542 (17-4 PH / 630)
开关动作寿命 6千万; (在额定压力的1.2倍)
拧紧扭矩 [Nm] 25...35; (TJ的拧紧扭矩; 取决于润滑、密封及压力等级)
尽管替代选择众多,但许多仍使用阀门插头来连接传感器。易福门PT50xx系列现推出带集成阀门插头的紧凑型压力传感器。它们可轻松集成至现有并使用现有接线,从而节省时间和成本。
PT50xx基于已在市场上久经考验的PT5系列,采用坚固的薄膜测量单元,无密封环,且外形紧凑,对边宽度仅19 mm。通过使用合适的插座(例如E30447),其使用的阀门插头可以实现IP 67防护等级。因此,运行性高于市场上常见的带阀门插头的IP 65传感器。


YS货号:
SD2000
O1D405
II502A
PN3094
易福门压力传感器PN7094
接近开关^IG5497 IGB3005-APOG/US
易福门的振动传感器VKV022
MGT201,IFM
O6H301
EVC142
EVC002
EVC151
OG5119 ifm
MR0107
E12084
PT5500和PT5502
II5961 IFM
lGS208
DI0001
01D100,IFM
关于IFM压力变送器PT5500规格型号
021-39526589
网址:www.qiant.net
地 址:上海市嘉定区嘉涌路99弄
6号楼713室