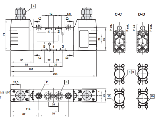
9711715海隆电磁驱动滑阀YS概况
根据结构和动作特点,滑阀分为往复式和回转式两类。往复式滑阀又有平面型单阀瓣、平面型双阀瓣和柱塞式3种。柱塞式滑阀广泛用于液压和气动装置中。当活塞到达左极限位置(行程终了)时,滑阀驱动轴被带动,使柱塞位置移至左边,切换流体的流向,p1压力的流体便流向B通道,进入压力缸的B′室,使活塞向右移动,A室中的流体则回流至通道 A并流向出口。当活塞到达右极限位置时,滑阀的驱动轴又被带动,使柱塞位置回复到右边位置。这样,滑阀使压力缸的活塞完成往复运动的一个周期动作。如此不断循环,活塞便自动连续往复运动。
中等的: 过滤、润滑或未润滑的干燥压缩空气、仪表空气、氮气或其他不易燃的中性和干燥气体
端口尺寸: 1/4" 不扩散核武器条约
手术: 3/2;5/2
驱动: 溶胶/弹簧;溶胶/溶胶
运营压力: 2 ... 8 巴
工作温度: -40 ... 65 °C
手动覆盖: 改装套件
材料 - 主体: 不锈钢 (1.4404/316)
材料 - 密封件: 丁腈橡胶
范围: 97105
基于型式检验 DIN EN 161、DIN 3394 和 IEC 61 508 的 TÜV
用于安全系统多通道的阀门, SIL 3
无交叉切换
附加手动覆盖
适用于恶劣环境条件下的户外使用
电磁阀适用于防爆等级 Ex e mb、Ex d mb、Ex mb、Ex ia,适用于 1 区和 2 区(气体)、21 和 22 区(灰尘)、ATEX cat.。II 2GD(取决于所选线圈)


产品型号:
8273200.4671.230.50
:F68G-8GN-AR3
B74G-4GK-AD1-RMN
宝硕8274300.9101.024.00
B72G-2AS-000014
宝硕8466000.9101.024.00
宝硕8466000.9101.230.50
海隆 0821097
6215M0510.4610.0240
R74G-4GK-RMN
宝硕电磁阀8296400.8171,24V
6215m0710.4610
SPGB/31733
:阀体不含线圈 2623077
B68G-NNS-004
9711715海隆电磁驱动滑阀YS概况
021-39526589
网址:www.qiant.net
地 址:上海市嘉定区嘉涌路99弄
6号楼713室