XCG2V-6FW-10ETON单向阀操作手册
威格士的直通、直角和板式单向阀是直动式的,用在液压回路中仅允许一个方向油液自由流动。这种类型的图形符号是一个
弹簧加载的球和一个座,如下所示。
所有PCG(5)V阀均可以带或不带内装释压特征。
特征和
● 由于压降小,使功率损耗较小。
● 采用外泄型可以与流量控制阀配合使重物平稳下放。
● 零泄漏设计能防止执行器因单向阀泄漏而“窜动”。
● 采用带释压阀芯的型号可以平稳地释放所储存的能量。
● 使用执行器供应的控制压力代替远程外控源的电磁先导型有快的响应。
● 标准安装面使它可以装在许多现有设备上。
● 由于功率/重量比较高,可减少安装成本和空间。
两种型式阀的工作原理在“功能符号”
部分中介绍,而下面的剖视图所画的是电磁控制型的结构。
远程控制型的工作
原理和应用方式与威格士《工业液压手册》中介绍的以前的4CG型相同。
可选的电磁方向控制先导阀基本上与同一手册中所示的单电磁铁方向阀一样。
这种液控单向阀可作为直动式单向阀来工作,但也能靠控制活塞上的控制压力
开启而允许反向自由流动。
使阀开启所需的控制压力值表达为单向阀上的压力对控制压力之比。
按控制方法的不同,有两种基本型式的阀。
CGV型是传统式,需一个外部远程先导阀来控制对控制活塞的加压和卸
压。
另一种PCG5V型装有电磁先导阀,省去了单独的安装并可包括用于就地应
急控制的手动操作。
PCG5V型的液压控制源可来自就近的受控液压缸的负载压
力或来自遥控源。
在必须使用液压缸压力的场合以及穿过关闭先导阀的微小内
泄会引起不可接受的缸“窜动”量的场
合,可换用威格士座阀式先导阀。此先导阀可为DG3VP-3-103A型(见样本64
2);请向您的威格士人征求意见。

自由流动 无流动
一个软弹簧把阀芯保持在它的常闭位置,在压力当量达到弹簧开启压力级时阀开始通过流量,有不同的弹簧(开启)压力来适应应用需要。
液控阀和直动阀一样,允许一个方向上的
自由流动,反方向阻止流动。但液控阀在
控制压力信号作用在阀的控制口时允许反向流动。
这种阀的图形符号如下图所示。
液控阀有很小的内泄,通常用来锁定液压缸,直至方向阀换向。
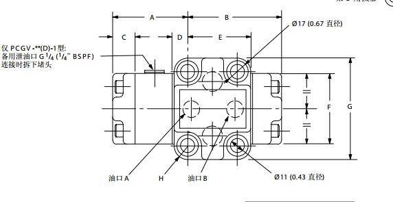
注: 威格士也有S AE 法兰安装的单向阀和ISO 4401-03 和 -05 叠加式单向阀。
法兰安装的型号在样本 627 中给出。规格 03
和 -05 叠加型分别在样本 GB-C-2027 和
GB-C-2022 中给出除直通型之外的所有型号能够用于会引起
冲击工况的高速流动。直通型设计用于冲击小的工况。
直通单向阀能够作为通过过滤器和冷却器流量脉动的安全旁通阀,通
过较高的弹簧设定值它们也能作为一种产生控制压力的方法。
直角单向阀设计用于较大的流量而压降很小。
阀座和阀芯淬火并经磨削,使用寿命长。能够在阀芯上装一个节流器堵头,允
许在它的常闭位置有受限制的流量通过阀芯。
因此这种阀一般用来控制主阀换向前的大型压机中的减压速度。
XCG2V-6FW-10ETON单向阀操作手册

021-39526589
网址:www.qiant.net
地 址:上海市嘉定区嘉涌路99弄
6号楼713室