药液、纯水(注1) 5~90(注2、3) 1.2 0~0.4 0~0.4 0(但是,用水压) 0~0.4 0~60 随意
φ15.9 5
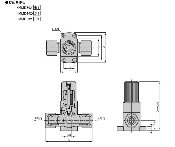
ODφ10管子连接(整体型接头) ODφ12管子连接(整体型接头)
使用流体 流体温度 ℃ 耐压 MPa 适用压力范围(A→B) MPa
适用压力范围(B→A) MPa 阀座泄漏 cm 3/min 背压 MPa 环境温度 ℃ 安装状态
通孔 Cv值
OD3/8"管子连接(整体型接头) OD1/2"管子连接(整体型接头)
OD3/4"管子连接 (整体型接头)
注1:请对构成产品的材料和使用流体、环境氛围的适应性确认的基础上使用。
注2:MMD502连接聚氯乙烯活接头整体型,温度是5~50℃。 注3:氢氟酸的场合为5~40℃。
MMD302 MMD402 MMD502ODφ25管子连接(整体型接头) OD1"管子连接(整体型接头)
公称直径16(聚氯乙烯活接头整体型) 公称直径20(聚氯乙烯活接头整体型)



021-39526589
网址:www.qiant.net
地 址:上海市嘉定区嘉涌路99弄
6号楼713室