
特征:
通过 IO-Link 的便利参数设定
输出功能常开/常闭可编程
LED 可清晰明确地指示开关状态
通过安装转接头和电缆扎带轻松地进行安装
用于位置检测或液位监控
原理:
电容式传感器也常常被人们称为电容式物位计,电容式物位计的电容
检测元件是根据圆筒形电容器原理进行工作的,电容器由两个绝缘的
重合部分的长度;D为外筒电极的直径;d为内筒电极的直径;e为中间介
质的电介常数。在实际测量中D、d、e是基本不变的,故测得C即可
同轴圆柱极板内电极和外电极组成,在两筒之间充以介电常数为e的
电解质时,两圆筒间的电容量为C=2∏eL/lnD/d,式中L为两筒相互
知道液位的高,这也是电容式传感器具有使用方便,结构简单和灵
敏度高,等特点的原因之一。
实物图:

技术参数:
电流损耗 [mA] < 17
输出功能 常开/常闭; (可选)
开关量输出DC电压降较大值 [V] 2.5
环境温度 [°C] -25...80
外壳 矩形的
安装 非齐平安装
外壳防护等级 IP 65; IP 67
开关量输出DC的持续电流负载 [mA] 100
开关频率DC [Hz] 10
防护等级 III
型号:
EVW005 ADOAH040SCS0005T04
EVW006 ADOAH040SCS0010T04
EVW007 ADOAH043SCS0002T04
EVW008 ADOAH043SCS0005T04
EVW031 VDOAH040SCS0002T04STGH040SCS
EVW032 VDOAH040SCS0003T04STGH040CS
EVW030 VDOAH040SCS0001T04STGH040SCS
EVW043 VDOAH043SCS0001T04STAH040SCS
EVW033 VDOAH040SCS0004T04STGH040SCS
EVW041 VDOAH043SCS0005T04STGH040SCS
EVW028 VDOGH040SCS0005T04STGH040SCS
EVW029 VDOGH040SCS0010T04STGH040SCS
EVW044 VDOAH043SCS0002T04STAH040SCS
EVW042 VDOAH043SCS0010T04STGH040SCS
EVW009 ADOAH043SCS0010T04
EVW010 ADOGH050SCS0002T05
EVW011 ADOGH050SCS0005T05
EVW012 ADOGH050SCS0010T05
EVW048 VDOGH050SCS00,3T05STGH050SCS
EVW049 VDOGH050SCS00,6T05STGH050SCS
EVW050 VDOGH050SCS0001T05STGH050SCS
EVW051 VDOGH050SCS0002T05STGH050SCS
EVW052 VDOGH050SCS0005T05STGH050SCS
EVW053 VDOGH050SCS0010T05STGH050SCS
EVW054 VDOAH050SCS00,3T05STGH050SCS
EVW055 VDOAH050SCS00,6T05STGH050SCS
EVW056 VDOAH050SCS0001T05STGH050SCS
EVW013 ADOAH050SCS0002T05
EVW014 ADOAH050SCS0005T05
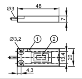
尺寸图:

EVW015 ADOAH050SCS0010T05
EVW016 VDOAH040SCS0006T04STGH040SCS
EVW034 VDOAH040SCS0005T04STGH040SCS
EVW035 VDOAH040SCS0010T04STGH040SCS
EVW036 VDOAH040SCS00,3T04STGH040SCS
EVW037 VDOGH040SCS00,3T04STGH040SCS
EVW038 VDOAH043SCS0001T04STGH040SCS
EVW039 VDOAH043SCS0002T04STGH040SCS
EVW040 VDOAH043SCS0003T04STGH040SCS
EVW017 VDOAH040SCS01,5T04STGH040SCS
EVW018 ASTGH040SCS0002T04
EVW019 ASTAH040SCS0002T04
EVW020 ASTGH050SCS0002T05
EVW021 ASTAH050SCS0002T05
EVW022 VDOAH040SCS00,5T04STGH040SCS
EVW023 VDOGH040SCS00,5T04STGH040SCS
EVW024 VDOGH040SCS0001T04STGH040SCS
EVW025 VDOGH040SCS0002T04STGH040SCS
EVW026 VDOGH040SCS0003T04STGH040SCS
EVW027 VDOGH040SCS0004T04STGH040SCS
EVW045 VDOAH043SCS0003T04STAH040SCS
EVW046 VDOAH043SCS0005T04STAH040SCS
EVW047 VDOAH043SCS0010T04STAH040SCS
021-39526589
网址:www.qiant.net
地 址:上海市嘉定区嘉涌路99弄
6号楼713室