
特征:
紧凑耐用的不锈钢外壳
通过电位计轻松设定感应范围
清晰明确地指示开关状态
带有 PUR 电缆
用于位置检测或液位监控
实物图:

产品信息:
电流损耗 [mA] < 12
开关量输出DC电压降较大值 [V] 2.5
漏电流较大值 [mA] 0.5
迟滞 [Sr的百分比] 1...15
开关点偏移 [Sr的百分比] -20...20
环境温度 [°C] -25...70
外壳防护等级 IP 65
开关量输出DC的持续电流负载 [mA] 100
开关量输出短暂的电流负载 [mA] 100
防护等级 III
型号:
EVW063 VDOAH043SCS00,3T04STGH040SCS
EVW064 VDOAH043SCS00,6T04STGH040SCS
EVW065 VDOAH043SCS0001T04STGH040SCS
EVW085 VDOGF040SCS00,3T04STGH040SCS
EVW086 VDOGF040SCS00,6T04STGH040SCS
EVW087 VDOGF040SCS0001T04STGH040SCS
EVW088 VDOGF040SCS01,5T04STGH040SCS
EVW089 VDOGF040SCS0003T04STGH040SCS
EVW090 VDOAH030SCS00,3T03STGF030SCS
EVW091 VDOAH030SCS00,6T03STGF030SCS
EVW092 VDOAH030SCS0001T03STGF030SCS
EVW093 VDOAH030SCS01,5T03STGF030SCS
EVW066 VDOAH043SCS0002T04STGH040SCS
EVW067 VDOAH043SCS0005T04STGH040SCS
EVW068 VDOAH043SCS01,5T04STGH040SCS
EVW069 ADOGF030SCS0005T03
EVW070 ADOGF030SCS0010T03
EVW071 ADOAF030SCS0005T03
EVW103 VDOGF040SCS00,6T04STGF040SCS
EVW104 VDOGF040SCS0001T04STGF040SCS
EVW105 VDOGF040SCS01,5T04STGF040SCS
EVW106 VDOGH040SCS00,6T04STGH040SCS
EVW107 VDOGH040SCS01,5T04STGH040SCS
EVW108 YDOGF030SCS00,3T03STGH040SCS
EVW109 VDOAH040SCS00,6T04STGH040SCS
EVW110 YDOGH030SCS00,3T03STGH040SCS
EVW111 ADOGH040SCS0025T04
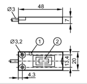
尺寸图:

EVW112 VDOGH040SCS0025T04STGH040SCS
EVW072 ADOAF030SCS0010T03
EVW073 ADOGF040SCS0005T04
EVW083 VDOAF030SCS0001T03STGH030SCS
EVW084 VDOAF030SCS01,5T03STGH030SCS
EVW094 VDOGF030SCS00,6T03STGF030SCS
EVW095 VDOGF030SCS0001T03STGF030SCS
EVW096 VDOGF030SCS01,5T03STGF030SCS
EVW097 VDOGF030SCS0003T03STGF030SCS
EVW074 ADOAF040SCS0010T04
EVW075 ADOGH050SCS0015T05
EVW076 VDOGF030SCS00,3T03STGH030SCS
EVW077 VDOGF030SCS00,6T03STGH030SCS
EVW078 VDOGF030SCS0001T03STGH030SCS
EVW079 VDOGF030SCS01,5T03STGH030SCS
EVW080 VDOGF030SCS0003T03STGH030SCS
EVW081 VDOAF030SCS00,3T03STGH030SCS
EVW082 VDOAF030SCS00,6T03STGH030SCS
EVW098 VDOAF030SCS00,6T03STGF030SCS
EVW099 VDOAF030SCS0001T03STGF030SCS
EVW100 VDOAF030SCS01,5T03STGF030SCS
EVW101 VDOAF030SCS0003T03STGF030SCS
EVW102 VDOGF040SCS00,3T04STGF040SCS
EVW113 VDOGH040SCS0001T04STGH040SCS
021-39526589
网址:www.qiant.net
地 址:上海市嘉定区嘉涌路99弄
6号楼713室