REXROTH充液阀产品亮点,R900422071
产品说明:
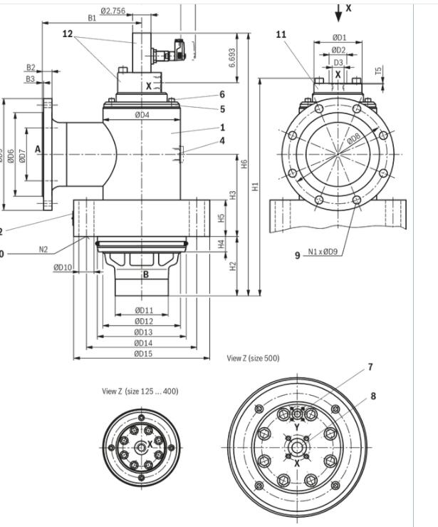
先导式单向阀,带或不带预压力释放功能
法兰连接
油箱安装
不带控制开启阀芯的插装阀(单向阀)
因阻尼作用而降了切换噪音
可旋转式压连接(联接罩)
位置感应开关,可选

可应要求提供更高的工作压力
带压法兰的壳体,可连续旋转
连接 G1 1/2(排出);紧固扭矩 MA = 300 Nm ±10 %
油口 Y;可应要求提供连接法兰
等间隔环绕外围的法兰安装螺钉数(连接类型“A”)
等间隔环绕外围的阀安装螺钉数
“不带位置开关”
) 主阀心处的压差可克服弹簧力
2) A 至 B,Δp = 0.3 bar
3) 在液压系统中必须遵循规定的组件清洁度等级。有效的过滤可防止发生故障,同时还可延长组件的使用寿命。有关过滤器的选择信息
注意:
充液阀过小和/或管道尺寸不足将导致液压油中有气体泄漏并产生相应后果,通常会对液压缸密封件造成长期损坏。
有关限制区域,请向我们咨询!
有关应用情况 1 至 5 的信息
有关限制区域,请与我们联系。通常选择大一个规格的管道就够了。
REXROTH充液阀产品亮点,R900422071
021-39526589
网址:www.qiant.net
地 址:上海市嘉定区嘉涌路99弄
6号楼713室