REXROTH轴向柱塞定量泵较新
产品特点:
泵体牢固耐用,使用寿命长久
总效率非常高
具有高功率密度
可用的公称尺寸齐全,从而可根据具体应用调整
可选配使用寿命长的轴承,公称尺寸在250到1000之间
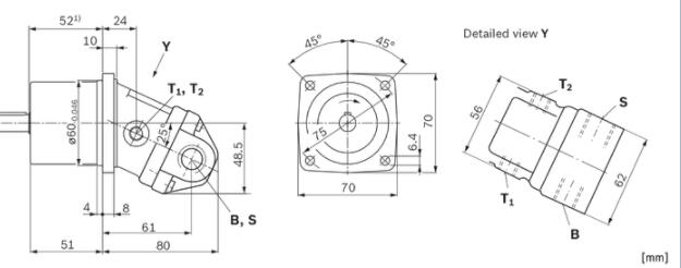
弯轴设计
通用高压泵
规格 5 … 1000
公称压力达 400 bar
较大压力达 450 bar
开式回路
公制型号
应用范围:

这些值在以下情况时有效:
- 压力 pabs = 1 bar(吸油口) 油口 S
- 较佳粘度范围始于 vopt = 36 到 16 mm2/s
- 采用基于矿物油的液压油
2) 较大速度(限制速度),入口压力 pabs 在以下点增大:吸 油口 S,请参见下图。
3) 无径向力转矩,有关径向力请参见表“驱动轴的径向力和轴向力”
注意:
表中的数值为理论值,未计算效率和容差。这些值为四舍五入值。 ▪
过较大允许值或于小允许值可能导致功能丧失、运转使用寿命缩短或使轴向柱塞单元总体损坏。速度变化、作为频率函数的角加速度减小、以及启动时允许的角加速度(于较大角加速度)等其它允许限值,请参考:样本

关键参数
每转排量 [cm3]
压差 [bar]
转速 [rpm]
容积效率
液压机械效率
总效率(ηt = ηv • η
预热阶段
1) 如果由于极端工作参数导致无法维持温度,请咨询我们。
2) 如需了解特殊型号,请与我们联系。
3) 相当于,例如:VG 46,+5 °C 到 +85 °C的温度范围
REXROTH轴向柱塞定量泵较新
021-39526589
网址:www.qiant.net
地 址:上海市嘉定区嘉涌路99弄
6号楼713室