供应CAMOZZI小型机控阀性能参数
产品介绍:
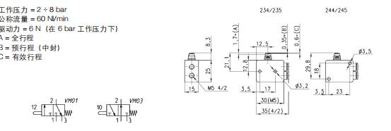
二位三通
接口 M5,ø4 快插接头
为二位三通,具
有常闭(NC)和常开(NO)机能,阀体
上带有 M5 内螺纹接口或 ø4 快插接头。
该系列机控阀有如下几种不同的驱动方
式:柱轴驱动、滚珠杠杆驱动和单向杠
杆驱动。
2 系列小型机控阀可作信号传输用的
先导阀,也可以用来控制微型的单作用
气缸。

产品参数:
结构形式 截止型(中封)
阀位机能 二位三通
材料 铝阀体,黄铜阀芯,丁腈橡胶密封件
安装方式 借助阀体上的通孔
接口 M5 或 Ø4 快插接头
环境温度 0 ÷ 60°C
介质温度 0 ÷ 50°C
介质 经过滤的压缩空气,无需油雾润滑。
如果使用油雾润滑
机能
3 = 二位三通(NC)
4 = 二位三通(NO)
接口
4 = ø4 快插接头
5 = M5
4 驱动方式
94 = 柱轴
95 = 滚珠杠杆
96 = 单向杠杆
98 = 柱轴(面板式)
复位方式
5 = 弹簧复位
型号 机能图符号
234-945 VM01
235-945 VM01
244-945 VM03
245-945 VM
供应CAMOZZI小型机控阀性能参数
021-39526589
网址:www.qiant.net
地 址:上海市嘉定区嘉涌路99弄
6号楼713室