EFL8316G304 DC24V阿斯卡微型阀应用描述
产品简介:
,经过验证的设计,流量阀门,流量大
可选择紧密关闭的提升阀
广泛的弹性体服务
多种外壳适合所有环境
除非另有说明,否则可安装在任何位置
阀门不需要较工作压力
•受保护的手动操作员
•使用的材料和彻底的阀门测试确保了高性并且寿命至少为100万次
•电磁阀满足所有相关的EC指令
压差-0,7至+2 bar(可在0.3 bar真空中使用)[1 bar = 100 kPa]
较大粘度20 cSt(mm2/ s)的
响应时间<20 ms
内部容量<75μl(不包括连接)
用于医疗分析仪,生物技术,气体分析仪的阀门
特点概述:
•可用于控制酸和碱,以及分析试剂
•任何流体不会与金属部件接触的应用与电磁阀的电磁控制部分
•阀门是控制腐蚀性流体或需要高纯度的选择并且易于冲洗内腔
•它们还可以用作非常小的内部体积流量采样阀门由于摇杆技术
•控制机构和流体的密封分离
•减少线圈和流体之间的热交换


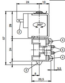
类型:3/2至5/2通用(附带转换板),先导式(外接气源情况下可转换为直动式)
阀体材质:黑色阳极氧化铝
安装方式:NAMUR(贴面式)
密封件材质:NBR + PUR
通径:6mm
压力:0 / 2~10Bar
流量系数Kv:0.6m³/ h
防爆等级:Ex mb IIC T3 / 4,IP67
EFL8316G304 DC24V阿斯卡微型阀应用描述
021-39526589
网址:www.qiant.net
地 址:上海市嘉定区嘉涌路99弄
6号楼713室