康茂盛流量控制阀规格尺寸,康茂盛流量控制阀好价销售
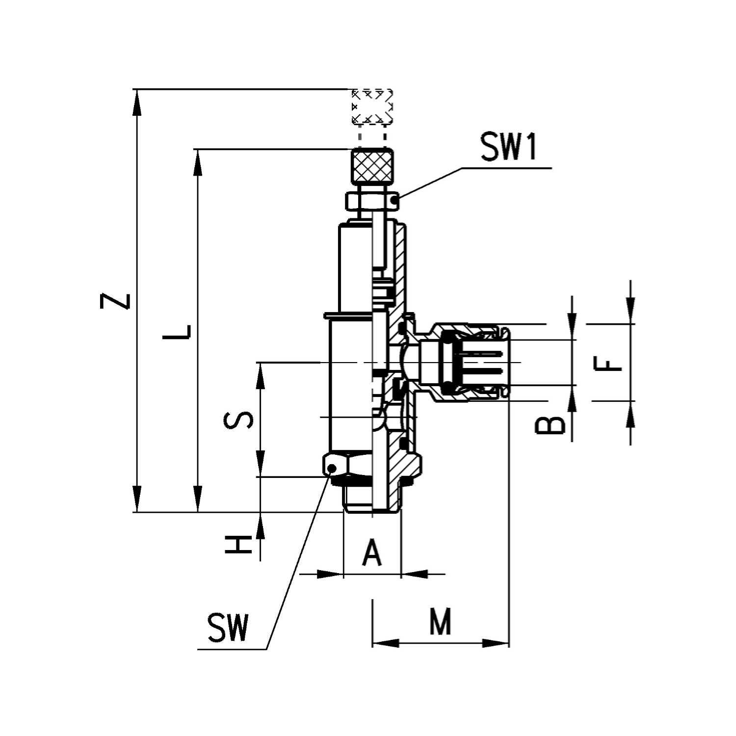
结构形式 针型
类别 单向和双向流量控制
材料 M5:不锈钢阀体和调节螺钉,丁腈橡胶密封件 G1/8 - G1/4 - G3/8:黄铜阀体,丁腈橡胶密封件
安装 外螺纹
安装位置 任意
工作温度 0 ÷ 80°C (干燥空气 -20°C)
工作压力 1 ÷ 10 bar

公称压力 6 bar
公称流量 见流量特性曲线
公称直径 M5 = 1.5 mm;G1/8 = 3.5 mm;G1/4 = 5 mm
介质 经过滤的压缩空气,无需油雾润滑。 如果使用油雾润滑,应不间断地使用油雾润滑(TJ使用 ISO VG32 润滑油)
GMCU 913-M5-3 流量控制阀 M5 针形
GMCU 914-M5-4 流量控制阀 M5 针形
GMCU 903-1/8-6 流量控制阀 G1/8 针形
GMCU 904-1/8-8 流量控制阀 G1/8 针形
GMCU 905-1/4-8 流量控制阀 G1/4 针形
GMCU 906-1/4-10 流量控制阀 G1/4 针形
GMVU 913-M5-3 流量控制阀 M5 针形
GMVU 914-M5-4 流量控制阀 M5 针形
GMVU 903-1/8-6 流量控制阀 G1/8 针形
GMVU 904-1/8-8 流量控制阀 G1/8 针形
GMVU 905-1/4-8 流量控制阀 G1/4 针形
GMVU 906-1/4-10 流量控制阀 G1/4 针形
GSCU 813-M5-3 M5 3 12 3 27.5 12.5 6.5 8
GSCU 814-M5-4 M5 4 12 3 27.5 19 8.8 8
GSCU 803-1/8-6 G1/8 6 22.5 5 50 26.5 13 14
GMCU 913-M5-3 M5 3 12 3 37 42.5 12.5 6.5 8 5.5
GMCU 914-M5-4 M5 4 12 3 37 42.5 19 8.8 8 5.5
GMCU 903-1/8-6 G1/8 6 22.5 5 65.5 72.5 26.5 13 14 7
GMCU 904-1/8-8 G1/8 8 22.5 5 65.5 72.5 28 15 14 7
GMCU 905-1/4-8 G1/4 8 27 7 85 97.5 28.5 15 19 10
GMCU 906-1/4-10 G1/4 10 27 7 85 97.5 31 17.5 19 10
GSCU 804-1/8-8 G1/8 8 22.5 5 50 28 15 14
GSCU 805-1/4-8 G1/4 8 27 7 67.5 28.5 15 19
GSCU 806-1/4-10 G1/4 10 27 7 67.5 31 17.5 19

康茂盛流量控制阀规格尺寸,康茂盛流量控制阀好价销售
021-39526589
网址:www.qiant.net
地 址:上海市嘉定区嘉涌路99弄
6号楼713室