VICKERS流量控制阀617476产品说明
概述
此样本中所示的威格士的比例阀设计成
能提供与指令信号成比例的受控的油液流
动,有两种型式可以选择:
一,双电磁铁型为执行器提供了可逆的流向;
,单电磁铁型提供了单方向的流向。
减少和简化了安装接线。
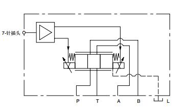
标准的 7 针接头。
指示灯状态指示和检测器测点有助于故障诊断。
这一系列比例方向阀上直接装配有控制
放大器,并已经与阀预先接好了线。对增
益、阀芯死区补偿、颤振以及偏置的
设置调整确保了阀与阀之间的很好的重复性。
所需的电气输入仅仅是电源(24V)和电
压为 ±10V 的指令信号。
电气连接通过标准的 7 针插头实现。
检测器测点使得能够检测放大器的功能。
如果需要的话,斜坡函数必须在外部生成。
特征和

调整后加封以提高阀与阀之间的重复性。
阀和放大器作为一个性能经过测试的组件来选择、订货、交货和安装。
可以选用压力调节器用于负载补偿,如果要求增
加单磁铁型的流量,可以选用并行流道模
块,从而使其流量约为标准型阀的两倍。
另外,这两种阀供货时可带有或不带直接安装在阀上的内装放大器。
标准的直流 24V 电源有很宽的允差带。
标准的直流 ±10V 指令信号。
维修时阀的拆卸和更换方便。
经过振动和冲击测试。
有辅助功能模块所支持。
这种型号供货时不带内装放大器。
特征和
阀芯和流量选择范围广。
有威格士产品中的放大器和功能模块所支持。
电气反馈差动变压器确保了的阀芯位置控制。
电流反馈为防止电气干扰提供了内在的保护。
经过振动和冲击测试。
VICKERS流量控制阀617476产品说明

021-39526589
网址:www.qiant.net
地 址:上海市嘉定区嘉涌路99弄
6号楼713室