企业QQ:2880626087
手机: 15308020014
电话: 028-84634436-8004
传真: 028-84634436-8007
邮箱: 15308020014@163.com
联系人:王倩
技术参数:
功能原理 式
旋转类型 多圈
工作电压 [V] 9...30 DC; (符合cULus - Class 2标准)
环境温度 [°C] -40...85
外壳防护等级 IP 68; IP 69K
分辨率 4096 分辨率; 4096 步距; 4096 圈数; 24 Bit
精度/偏差
重量 [g] 244
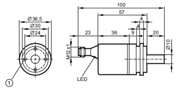
尺寸 [mm] Ø 36.5 / L = 100
原材料 法兰: 铝; 外壳盖: 钢 防刮镀层
机械较大值 [U/min] 6000
启动扭矩较大值 [Nm] 5
温度扭矩参考 [°C] 20
度 [°] 0.08
电流损耗 [mA] < 100; ((10 V DC) ; ≤ 50 (24 V DC))
防护等级 III
实物图:

发展市场:
从行业来看,电梯、机床和伺服电机配套是编码器的重点应用领域,占整
体应用市场53%的。纺织机械、包装机械和印刷机械等领域目前
目前也较小,仅占4%-5%。在冶金和电子行业等项目型行业,编
码器目前应用比例较,仅占14%的。此外,编码器在医疗机械
较小,编码器一般不直接进入这三个行业,编码器企业的竞
争主要集中在给这些机械行业提供伺服电机的电机厂环节。起重机械
、风电、汽车线、混合动力汽车、水利、轨道交通等领域也有一定应
用,但应用比例较。
型号:
E60171
E60172
E60173
E60174
E60175
E60180
E60182
E7005S
E70062
E70064
E70067
E7006S
E7007S
E70096
E70113
E70120
E70129
E70142
E70143
E70153
E70156
E7015S
E70164
E70170
E70486
E70487
E70498
E70499
E7050S
E70513
E70515
E70516
E7051S
尺寸图:

E70529
E7052S
E60193
E60194
E60201
E60202
E60203
E60204
E60205
E60206
E60207
E70176
E70188
E60121
E60122
E60123
E60124
E60125
E60128
E70371
E7053S
E70580
E70581
E60133
E60136
E60137
E60138
E60141
E60144
E60145
E60146
E60147
E60157
E60158
E60161
E60165
E60169
E70190
E70193
E70194
E70200
E60188
E60189
E60190
E60191
E70372
E70377
E70381
E70390
E70399
E70402
E7040S
E70413
E70423
E70424
E70431
E70432
E70440
E70454
E70471
E70481
E70483
E70485
E60208
E60209
E60250
E60302
E60303
E7000A
E7001S
E7002S
E7003S
E7004S
021-39526589
网址:www.qiant.net
地 址:上海市嘉定区嘉涌路99弄
6号楼713室