FESTO紧凑型气缸ADN-16-20-I-P-A快速安装指南

产品特性:
紧凑型气缸系列 ADN/AEN符合标准 ISO 21287
• ADN/AEN 派生型众多,其结构紧凑,应用广泛,因而与众不同
• 得益于模块化产品系统,可根据个性化需要配置派生型
• 集成缓冲,用于吸收残余能量
• 具有非同一般的缓冲特性以及的摩擦系数,使用寿命长
• 易于安装,安装附件齐全,可用于几乎任何一种安装形式
• 派生型众多,灵活性较佳
• 用接近开关电子式感测位置
实物图:

产品参数:
结构特点 活塞
活塞杆
缸筒
环境温度1) [°C]
– –20 … +80
S6 0 … +120
R3 –20 … +80
TT – –40 … +80 –
耐腐蚀等级 CRC2)
– 2
R3 3
工作方式 双作用
缓冲
P 两端带弹性缓冲垫
型号:
536224 ADN-16-30-A-P-A
536231 ADN-16-30-I-P-A
536225 ADN-16-40-A-P-A
536232 ADN-16-40-I-P-A
536237 ADN-20-20-A-P-A
536245 ADN-20-20-I-P-A
536261 ADN-25-15-I-P-A
536254 ADN-25-20-A-P-A
536262 ADN-25-20-I-P-A
536255 ADN-25-25-A-P-A
673677 ADVC- 80-A-P-A
188343 ADVC-100-25-A-P-A
188079 ADVC-10-10-A-P
188077 ADVC-10-10-A-P-A
188076 ADVC-10-5-A-P-A
188095 ADVC-12-10-A-P
188092 ADVC-12-5-A-P-A
530568 ADVC-12-5-P
188124 ADVC-16-10-A-P
188109 ADVC-16-10-I-P-A
ADN-50-30-A-P-A
紧凑型气缸 ADN-50-40-A-P-A
紧凑型气缸 ADN-50-50-A-P-A
紧凑型气缸 ADN-50-60-A-P-A
紧凑型气缸 ADN-50-80-A-P-A
KOMPAKTZYLINDER ADN-50-5-I-P-A
紧凑型气缸 ADN-50-10-I-P-A
KOMPAKTZYLINDER ADN-50-15-I-P-A
紧凑型气缸 ADN-50-20-I-P-A
536331 ADN-16-50-A-P-A
536341 ADN-16-50-I-P-A
536219 ADN-16-5-A-P-A
536226 ADN-16-5-I-P-A
188262 ADVC-50-20-I-P-A
188065 ADVC-6-10-A-P-A
188284 ADVC-63-10-I-P-A
188066 ADVC-6-5-A-P
188064 ADVC-6-5-A-P-A
536235 ADN-20-10-A-P-A
536243 ADN-20-10-I-P-A
536236 ADN-20-15-A-P-A
536244 ADN-20-15-I-P-A
紧凑型气缸 ADN-50-25-I-P-A
紧凑型气缸 ADN-50-30-I-P-A
紧凑型气缸 ADN-50-40-I-P-A
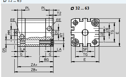
尺寸图:


紧凑型气缸 ADN-50-50-I-P-A
紧凑型气缸 ADN-50-60-I-P-A
紧凑型气缸 ADN-50-80-I-P-A
紧凑型气缸 ADN-63- -
KOMPAKTZYLINDER ADN-16-50-A-P-A
188145 ADVC-20-5-I-P
188173 ADVC-25-10-I-P-A
188185 ADVC-25-20-A-P-A
188175 ADVC-25-20-I-P-A
188191 ADVC-25-25-A-P
188186 ADVC-25-25-A-P-A
188181 ADVC-25-25-I-P
188205 ADVC-32-10-I-P-A
188211 ADVC-32-15-I-P
536263 ADN-25-25-I-P-A
536256 ADN-25-30-A-P-A
536264 ADN-25-30-I-P-A
536257 ADN-25-40-A-P-A
536238 ADN-20-25-A-P-A
536246 ADN-20-25-I-P-A
536239 ADN-20-30-A-P-A
536247 ADN-20-30-I-P-A
KOMPAKTZYLINDER ADN-63-10-A-P-A
KOMPAKTZYLINDER ADN-63-15-A-P-A
紧凑型气缸 ADN-63-20-A-P-A
紧凑型气缸 ADN-63-25-A-P-A
紧凑型气缸 ADN-63-30-A-P-A
紧凑型气缸 ADN-63-40-A-P-A
紧凑型气缸 ADN-63-50-A-P-A
紧凑型气缸 ADN-63-60-A-P-A
紧凑型气缸 ADN-63-80-A-P-A
紧凑型气缸 ADN-16-50-I-P-A
紧凑型气缸 ADN-63-10-I-P-A
紧凑型气缸 ADN-63-15-I-P-A
气缸 ADN-63-20-I-P-A
紧凑型气缸 ADN-63-25-I-P-A
紧凑型气缸 ADN-63-30-I-P-A
紧凑型气缸 ADN-63-40-I-P-A
188110 ADVC-16-15-I-P-A
188121 ADVC-16-20-A-P-A
188116 ADVC-16-20-I-P
188156 ADVC-20-10-A-P
188146 ADVC-20-10-I-P
188153 ADVC-20-20-A-P-A
536240 ADN-20-40-A-P-A
536248 ADN-20-40-I-P-A
536241 ADN-20-50-A-P-A
536249 ADN-20-50-I-P-A
021-39526589
网址:www.qiant.net
地 址:上海市嘉定区嘉涌路99弄
6号楼713室