
特征:
一经接通压力,响应快速
• 与身材相比,夹紧力奇大
• 安装空间小
• 集成传感器槽,用于接触式或
电子式接近开关
• 安装孔型,符合 VDMA 24562
标准,用于 ∅ 32 ... 100 mm
实物图:

特点:
仅一端进(排)气,结构简单,耗气量小。
用弹簧力或膜片力等复位,压缩空气能量的一部分用于克服弹簧力或
膜片张力,因而减小了活塞杆的输出力。
缸内安装弹簧、膜片等,一般行程较短;与相同体积的双作用气缸相
在行进过程中是变化的。
由于以上特点,单作用活塞气缸多用于短行程。其推力及运动速度均
比,有效行程小一些。
气缸复位弹簧、膜片的张力均随变形大小变化,因而活塞杆的输出力
要求不高场合,如气吊、定位和夹紧等装置上。单作用柱塞缸则不然
,可用在长行程、高载荷的场合。
元件一览:

1 安装螺丝 供货范围内不包括
DIN 84
DIN 912
DIN 912
–
1 安装螺丝
用于 ∅ 80, 100
供货范围内不包括 – –
46
2 脚架安装件
HNC
用于轴承和端盖 – –
38
3 法兰安装件
FNC
用于轴承或端盖 – –
39
4 耳轴安装件
ZNCF
用于轴承或端盖 – –
40
5 耳轴支座
LNZG
– – –
41
6 耳环安装件
SNC
用于端盖 – –
42
7 双耳环安支座
LSNG
带球面轴承 – –
46
8 双耳环安支座
LSNSG
焊上,带球面轴承 – –
46
9 耳环安装件
SNCS
带球面轴承 用于端盖 – –
44
aJ 双耳环安支座
LBG
– – –
46
aA 耳环安装件
SNCL
用于端盖 – –
45
aB 耳环安装件
SNCB
用于端盖 – –
43
aC 双耳环安支座
LNG
– – –
46
aD 双耳环安支座
LSN
带球面轴承 – –
46
aE 连接组件
DPNC
用于将两个相同缸径的气缸组成一个多位
置气缸 – –
37
aF 关节轴承
SGS
带球面轴承 –
47
aG 直角双耳环安支座
LQG
– –
46
aH 双耳环
SGA
带外螺纹 – –
47
aI 连接法兰
KSG
用于补充径向偏差 – –
47
bJ 双耳环
SG
允许气缸在一个平面内作摆动运动 –
47
bA 自对中连接杆
FK
用于补偿径向和角度偏差
∅ 12
47
bB 沟槽盖
ABP-5-S
保护传感器电缆,防止灰尘进入传感器槽 – –
48
bC 接近开关
SME/SMT-8
可集成在缸筒上 – –
48
bD 接近开关
SME/SMT-10
可集成在缸筒上 –
49
bE 单向节流阀
GRLA
用于调节速度
49
bF 快插接头
QS
用于连接标准外径气管
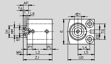
尺寸图:


型号:
AEVC-4-2,5-A-P
AEVC-4-5-A-P
ADVC-4-2,5-A-P
ADVC-4-5-A-P
AEVC-6-5-P-A
AEVC-6-10-P-A
AEVC-6-5-P
AEVC-6-10-P
AEVC-6-5-A-P-A
AEVC-6-10-A-P-A
AEVC-6-5-A-P
AEVC-6-10-A-P
ADVC-6-5-A-P-A
ADVC-6-10-A-P-A
ADVC-6-5-A-P
ADVC-12-10-I-P-A
ADVC-12-5-I-P
ADVC-12-10-I-P
ADVC-12-5-A-P-A
ADVC-12-10-A-P-A
ADVC-12-5-A-P
ADVC-12-10-A-P
AEVC-16-5-I-P-A
AEVC-16-10-I-P-A
ADVC-16-20-A-P-A
ADVC-16-25-A-P-A
ADVC-16-5-A-P
ADVC-16-10-A-P
ADVC-16-15-A-P
ADVC-16-20-A-P
ADVC-16-25-A-P
AEVC-20-5-I-P-A
AEVC-20-10-I-P-A
AEVC-20-25-I-P-A
AEVC-20-5-I-P
AEVC-20-10-I-P
AEVC-20-25-I-P
AEVC-20-5-A-P-A
AEVC-20-10-A-P-A
AEVC-20-25-A-P-A
AEVC-20-5-A-P
AEVC-20-10-A-P
AEVC-20-25-A-P
ADVC-20-5-I-P-A
ADVC-20-10-I-P-A
ADVC-20-15-I-P-A
ADVC-20-20-I-P-A
ADVC-20-25-I-P-A
ADVC-20-5-I-P
ADVC-20-10-I-P
ADVC-20-15-I-P
ADVC-20-20-I-P
ADVC-20-25-I-P
ADVC-20-5-A-P-A
ADVC-20-10-A-P-A
ADVC-20-15-A-P-A
ADVC-20-20-A-P-A
ADVC-20-25-A-P-A
ADVC-20-5-A-P
ADVC-20-10-A-P
ADVC-20-15-A-P
AEVC-16-25-I-P-A
AEVC-16-5-I-P
AEVC-16-10-I-P
AEVC-16-25-I-P
AEVC-16-5-A-P-A
AEVC-16-10-A-P-A
AEVC-16-25-A-P-A
AEVC-16-5-A-P
AEVC-16-10-A-P
ADVC-6-10-A-P
AEVC-10-5-P-A
AEVC-10-10-P-A
AEVC-10-5-P
AEVC-10-10-P
AEVC-10-5-A-P-A
AEVC-10-10-A-P-A
AEVC-10-5-A-P
AEVC-10-10-A-P
ADVC-10-5-A-P-A
ADVC-10-10-A-P-A
ADVC-10-5-A-P
021-39526589
网址:www.qiant.net
地 址:上海市嘉定区嘉涌路99弄
6号楼713室