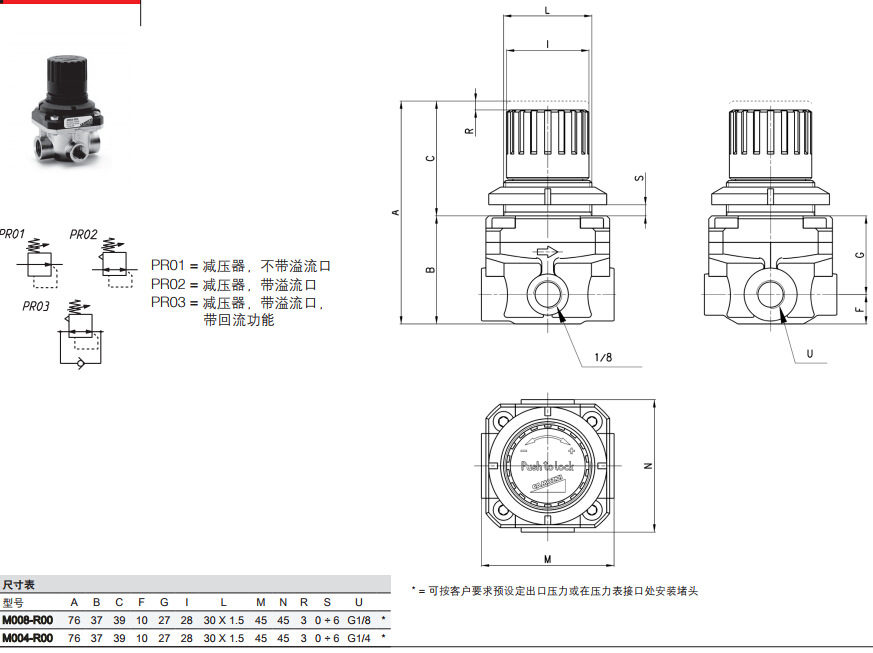
CAMOZZI减压器操作简单
» 可按要求提供预设定出口压力
或在压力表接口处安装堵头
» 可按要求提供符合的膜片
材料和密封件材料

综合参数
结构形式 膜片式
材料 黄铜基体,不锈钢弹簧,丁腈橡胶密封件
接口 G1/8 - G1/4
质量 0.235 kg
压力表接口 G1/8
安装方式 管式连接,支架式安装,面板式安装
工作温度 -5 ÷ 50°C(介质的露点应不于 2°C)
入口压力 0 ÷ 16 bar
出口压力 0.5 ÷ 10 bar

公称流量 见减压器流量特性曲线图
M 系列小型减压器是一种能使气
动系统的出口压力调节在比进口压力
的设定值,并保持压力稳定的压力控制
阀。接口 G1/8 和 G1/4,但两种规格的
减压器外形尺寸相同。可管式连接、支
架式安装或面板式安装。
M 系列小型减压器有如下二种不同
的排气形式:
- 不带溢流口
- 带溢流口
带回流功能的减压器通常安装于控
制阀和气缸之间,可实现快速排气。
CAMOZZI减压器操作简单
021-39526589
网址:www.qiant.net
地 址:上海市嘉定区嘉涌路99弄
6号楼713室